Уровнемеры
УРОВНЕМЕРЫ, приборы для измерения или контроля уровня жидкостей и сыпучих материалов в резервуарах, хранилищах, технол. аппаратах хим. произ-в и т. п. Приборы для определения кол-ва жидкости или сыпучего материала с целью их учета и сигнализации о переполнении бункеров, расходных баков и др. сосудов наз. уровнемерами широкого диапазона измерений. Последний определяется в данном случае ге-OM. размерами сосудов. Эти приборы снабжены шкалами с делениями, к-рые находятся по одну сторону от нулевой отметки (расположена в начале отсчета); шкалы градуируются в см, дм и м. При необходимости поддержания уровня на заданной высоте приборы показывают величину его отклонения от нормального положения и наз. уровнемерами узкого диапазона измерений (100-150 мм). Шкалы данных приборов имеют деления по обе стороны от нулевой отметки (находится посередине) и градуируются в мм и см.
Уровнемеры для жидкостей
По принципу действия эти уровнемеры разделяются на визуальные, поплавковые, гидростатические, электрические, ультразвуковые, радиоизотопные.
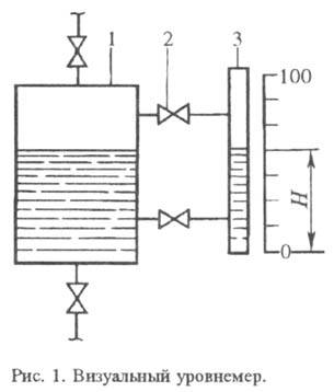
Визуальные уровнемеры (рис. 1) - простейшие измерители уровня жидкости. К технол. аппарату 1 через запорные вентили 2 подсоединено ука-зат. стекло (трубка 3). Аппарат и трубка представляют собой сообщающиеся сосуды, поэтому уровень H жидкости в трубке всегда равен ее уровню в аппарате и отсчитывается по шкале.
Поплавковые уровнемеры. Чувствит. элемент - поплавок, находящийся на пов-сти жидкости (рис. 2, а). Поплавок 1 уравновешивается грузом 3, к-рый связан с поплавком гибким тросом 2. Уровень жидкости определяется положением груза отно сительно шкалы 4. Пределы измерений устанавливают в соответствии с принятыми значениями верх. (ВУ) и ниж. (НУ) уровней.

Значительно надежнее тонущие поплавки - массивные буйки (рис. 2, б). При изменении уровня жидкости по закону Архимеда изменяется действующая на конец рычага 2 выталкивающая сила (вес буйка 1). Соотв. изменяющийся момент сил, действующих на рычаг 2, от буйка передается через вал 5, закрепленный в донышке 7, на трубку 6 и уравновешивается моментом ее скручивания. Изменение угла скручивания трубки пропорционально величине уровня.
Гидростатические уровнемеры. Их действие основано на уравновешивании давления столба жидкости p в аппарате (хранилище) давлением столба жидкости, заполняющей измерит, прибор, или пружинным механизмом (р = Hr, где r = const - плотн. жидкости). При достаточно больших значениях уровня Я и в отсутствие избыточного давления над жидкостью в качестве уровнемеров можно применять манометр с трубчатой пружиной (см. Манометры), устанавливаемый на отметке т. наз. нулевого уровня (рис. 3).


Рис. 2. Поплавковые уровнемеры: а - с плавающим поплавком; б - с тонущим поплавком.



Рис. 4. Дифманометрические уровнемеры: измерение уровня в открытом резервуаре (а)и аппарате, работающем под давлением (б).
Дифманометрические уровнемеры позволяют измерять уровень в открытых (атм. давление) или закрытых (давление либо разрежение) резервуарах (рис. 4). Относительно постоянный уровень жидкости в одном из колен измерит, прибора (дифманометра), а следовательно, и в контролируемом аппарате обеспечивается уравнит. сосудом (наполнен до определенного уровня той же жидкостью, что и в аппарате). Высота столба жидкости в др. колене дифманомет-ра изменяется с изменением уровня в аппарате. Каждому значению уровня в нем отвечает нек-рый перепад давления, обусловленный расстоянием по высоте между аппаратом и прибором. Если аппарат работает при атм. давлении, уравнит. сосуд размещают на отметке нулевого уровня (рис. 4, а), если под давлением - на высоте макс. уровня (рис. 4, б).


Пьезометрические уровнемеры (рис. 5) основаны на принципе гидравлич. затвора (обычно водяного). Для измерения уровня используют воздух или инертный газ, к-рый под давлением р продувают через слой жидкости (рх - давление над ней). Кол-во воздуха ограничивают диафрагмой 1 или регулирующими вентилями 2 так, чтобы скорость движения его в трубопроводе была минимальна (с целью уменьшения потерь на трение). Для контроля расхода воздуха устанавливают спец. стаканчики 3 или ротаметры. Уровень жидкости H=(р-рx)/pж, где рж- плотн. замыкающей жидкости в дифманометре. Перепад давления (р-рх)определяется по высоте столба жидкости h в манометре. В случае измерения уровня агрессивных жидкостей необходимо подводить воздух в обе линии, подсоединяемые к дифманометру. Пьезометрич. приборы широко применяются для измерения уровня жидкости в подземных резервуарах.
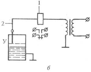
Электрические уровнемеры (рис. 6). В них измеряемые значения уровня жидкости преобразуются в соответствующие электрич. сигналы. Наиб. распространены емкостные и омические приборы.


Рис. 6. Электрические уровнемеры: а - емкостный; б - омический.

Рис. 7. Ультразвуковой уровнемер: 1, 2 - генераторы, соотв., управляющий и импульсов; 3 - пьезоэлектрич. излучатель; 4 - усилитель импульсов; 5 - измеритель времени; 6 - вторичный прибор.
Емкостные уровнемеры (рис. 6, а). Вместе со стенками сосуда 1 электрод 2 образует чувствит. элемент -цилиндрич. конденсатор, электрич. емкость к-рого изменяется пропорционально уровню жидкости. Емкость измеряется электронным блоком 3, сигнал из к-рого поступает в блок 4, представляющий собой релейный элемент (в схемах сигнализации достижения определенного уровня) или указывающий прибор (в схемах измеренного уровня).
Омические (кондуктометрические) уровнемеры (рис. 6, б)основаны на измерении сопротивления при замыкании электрич. цепи, образованной электромагн. реле 1, электродом 2 и контролируемой средой (уровень У) электропроводностью от 2·10~3 См.
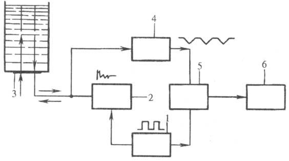
Ультразвуковые уровнемеры (рис. 7). В них используется явление отражения ультразвуковых колебаний (импульсов) от плоскости раздела жидкость-газ (обычно воздух). Время между моментом посылки первичного импульса и моментом возвращения отраженного импульса является ф-цией высоты измеряемого уровня. Эти приборы позволяют измерять уровень без контакта с контролируемой средой в труднодоступных местах.
Радиоизотопные уровнемеры основаны на сравнении ин-тенсивностей потоков a- или b-излучения, проходящих выше либо ниже уровня раздела двух сред разной плотности. Применение этих приборов целесообразно в случае невозможности использовать иные уровнемеры.
Уровнемеры для сыпучих материалов. Уровнемеры для сыпучих тел имеют свои особенности. Характерным отличием сыпучих материалов от жидкостей является непропорциональность передачи давления на дно и стенки емкости в зависимости от уровня в ней контролируемого в-ва. Простейшие уровнемеры для сыпучих материалов выполняются с чувствит. элементами, соприкасающимися с пов-стью в-ва. Изменение уровня дистанционно передается на вторичный измерит, прибор.

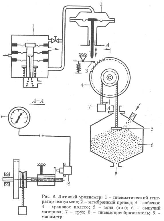
Наиб, распространены лотовые уровнемеры (рис. 8). В них зонд (лот) 5 и груз 7 подвешены на блоке храпового колеса 4. Зонд периодически приподнимается с помощью управляемого пневматич. генератором импульсов пневматич. мембранного привода 2 (воздействующего на колесо через собачку 3) и опускается на пов-сть сыпучего материала 6 под действием силы тяжести. Если уровень не изменяется, зонд поднимается и опускается на одно и то же расстояние. При понижении уровня материала зонд опускается на большее расстояние, чем поднимается, и наоборот. Уровнемер должен работать так, чтобы при изменении уровня в заданных пределах давление сжатого воздуха на выходе прибора изменялось от 20 до 100 кПа. С выхода пневмопреобразователя 8 воздух подается на вторичный прибор. Лотовые уровнемеры позволяют измерять уровень до 20 м. В меньшей степени для определения уровня сыпучих материалов применяют также поплавковые, массовые, электрич. (емкостные) и радиоизотопные уровнемеры.
Лит.: Кулаков M. В., Технологические измерения и приборы для химических производств, 3 изд., M., 1983; Шкатов E. Ф., Технологические измерения и КИП на предприятиях химической промышленности, M., 1986.
E. Ф. Шкатов.