Рентгеновская спектроскопия
РЕНТГЕНОВСКАЯ СПЕКТРОСКОПИЯ, раздел спектроскопии, изучающий спектры испускания (эмиссионные) и поглощения (абсорбционные) рентгеновского излучения, т.е. электромагн. излучения в области длин волн 10-2-102 нм. Рентгеновскую спектроскопию используют для изучения природы хим. связей и количеств. анализа в-в (рентгеновский спектральный анализ). С помощью рентгеновской спектроскопии можно исследовать все элементы (начиная с Li) в соед., находящихся в любом агрегатном состоянии.
Рентгеновские спектры обусловлены переходами электронов внутр. оболочек атомов. Различают тормозное и ха-рактеристич. рентгеновское излучение. Первое возникает при торможении заряженных частиц (электронов), бомбардирующих мишень в рентгеновских трубках, и имеет сплошной спектр. Характеристич. излучение испускают атомы мишени при столкновении с электронами (первичное излучение) или с рентгеновскими фотонами (вторичное, или флуоресцентное, излучение). В результате этих столкновений с одной из внутр. (К-, L- или М-) оболочек атома вылетает электрон и образуется вакансия, к-рую заполняет электрон с другой (внутр. или внеш.) оболочки. При этом атом испускает квант рентгеновского излучения.
Принятые в рентгеновской спектроскопии обозначения переходов приведены на рис. 1. Все уровни энергии с главными квантовыми числами n = 1, 2, 3, 4... обозначаются соотв. К, L, M, N ...; подуровням энергии с одним и тем же h приписывают последовательно числовые индексы в порядке возрастания энергии, напр. M1, М2, М3, M4, M5 (рис. 1). Все переходы на К-, L- или М-уровни называют переходами К-, L- или М-серии (К-, L- или М-переходами) и обозначают греческими буквами (a, b, g...) с числовыми индексами. Общепринятых рацион. правил обозначения переходов не существует. Наиб. интенсивные переходы происходят между уровнями, удовлетворяющими условиям: Dl = 1, Dj = 0 или 1 (j = = lb 1/2), Dn . 0. Характеристич. рентгеновский спектр носит линейчатый характер; каждая линия соответствует определенному переходу.

Рис. 1. Важнейшие рентгеновские переходы.
Поскольку бомбардировка электронами вызывает распад в-ва, при анализе и изучении хим. связей применяют вторичное излучение, как, напр., в рентгеновском флуоресцентном анализе (см. ниже) и в рентгеноэлектронной спектроскопии. Только в рентгеновском микроанализе (см. Электронно-зондовые методы)используют первичные рентгеновские спектры, т.к. пучок электронов легко фокусируется.
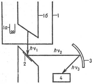
Схема прибора для получения рентгеновских спектров приведена на рис. 2. Источником первичного рентгеновского излучения служит рентгеновская трубка. Для разложения рентгеновского излучения в спектр по длинам волн используют кристалл-анализатор или дифракц. решетку. Полученный спектр рентгеновского излучения регистрируют на рентгеновской фотопленке, с помощью ионизац. камеры, спец. счетчиками, полупроводниковым детектором и т. д.
Рентгеновские спектры поглощения связаны с переходом электрона внутр. оболочки на возбужденные оболочки (или зоны). Для получения этих спектров тонкий слой поглощающего в-ва помещают между рентгеновской трубкой и кристаллом-анализатором (рис. 2) или между кристаллом-анализатором и регистрирующим устройством. Спектр поглощения имеет резкую низкочастотную границу, при к-рой происходит скачок поглощения. Часть спектра до этого скачка, когда переход происходит в область до порога поглощения (т.е. в связанные состояния), наз. ближней структурой спектра поглощения и носит квазилинейчатый характер с хорошо выраженными максимумами и минимумами. Такие спектры содержат информацию о вакантных возбужденных состояниях хим. соединений (или зонах проводимости в полупроводниках).

Рис. 2. Схема рентгеновского спектрометра: 1-рентгеновская трубка; 1а-источник электронов (термоэмиссионный катод); 1б-мишень (анод); 2-исследуемое в-во; 3 - кристалл-анализатор; 4-регистрирующее устройство; hv1-первичное рентгеновское излучение; hv2 - вторичное рентгеновское излучение; hv3 - регистрируемое излучение.
Часть спектра за порогом поглощения, когда переход происходит в состоянии непрерывных значений энергии, наз. дальней тонкой структурой спектра поглощения (EXAFS-extended absorbtion fine structure). В этой области взаимодействие электронов, удаленных из исследуемого атома, с соседними атомами приводит к небольшим колебаниям коэф. поглощения, и в рентгеновском спектре появляются минимумы и максимумы, расстояния между к-рыми связаны с геом. строением поглощающего в-ва, в первую очередь с межатомными расстояниями. Метод EXAFS широко применяют для изучения строения аморфных тел, где обычные дифракц. методы неприменимы.
Энергии рентгеновских переходов между внутр. электронными уровнями атома в соед. зависят от эффективного заряда q изучаемого атома. Сдвиг DE линии поглощения атомов данного элемента в соед. по сравнению с линией поглощения этих атомов в своб. состоянии связан с величиной q. Зависимость в общем случае носит нелинейный характер. Исходя из теоретич. зависимостей DE от q для разл. ионов и эксперим. значения DE в соед. можно определить q. Величины q одного и того же элемента в разных хим. соед. зависят как от степени окисления этого элемента, так и от природы соседних атомов. Напр., заряд S(VI) составляет + 2,49 во фторсульфонатах, +2,34 в сульфатах, +2,11 в сульфоновых к-тах; для S(IV): 1,9 в сульфитах, 1,92 в суль-фонах; для S(II): от —1 до —0,6 в сульфидах и от —0,03 до О в полисульфидах K2Sx (x = 3-6). Измерение сдвигов DE линии Кa элементов 3-го периода позволяет определить степень окисления последних в хим. соед., а в ряде случаев и их координац. число. Напр., переход от октаэдрич. к тетра-эдрич. расположению атомов 0 в соед. Mg и А1 приводит к заметному уменьшению величины DE.
Для получения рентгеновских эмиссионных спектров в-во облучают первичными рентгеновскими квантами hv1 для создания вакансии на внутр. оболочке, эта вакансия заполняется в результате перехода электрона с др. внутренней или внешней оболочки, что сопровождается излучением вторичного рентгеновского кванта hv2, к-рый регистрируется после отражения от кристалла-анализатора или дифракц. решетки (рис. 2).
Переходам электронов с валентных оболочек (или зон) на вакансию на внутр. оболочке соответствуют т. наз. последние линии эмиссионного спектра. Эти линии отражают структуру валентных оболочек или зон. Согласно правилам отбора, переход на оболочки К и L1 возможен с валентных оболочек, в формировании к-рых участвуют р-состояния, переход на оболочки L2 и L3-c валентных оболочек (или зон), в формировании к-рых участвуют s- и d-состояния изучаемого атома. Поэтому Ka-линия элементов 2-го периода в соед. дает представление о распределении электронов 2р-орбиталей изучаемого элемента по энергиям, Kb2-линия элементов 3-го периода-о распределении электронов 3р-орбиталей и т.д. Линия Kb5 в координационных соед. элементов 4-го периода несет информацию об электронной структуре лигандов, координированных с изучаемым атомом.
Изучение переходов разл. серий во всех атомах, образующих исследуемое соед., позволяет детально определить структуру валентных уровней (или зон). Особенно ценную информацию получают при рассмотрении угловой зависимости интенсивности линий в эмиссионных спектрах монокристаллов, т.к. использование при этом поляризованного рентгеновского излучения существенно облегчает интерпретацию спектров. Интенсивности линий рентгеновского эмиссионного спектра пропорциональны заселенностям уровней, с к-рых совершается переход, и, следовательно, квадратам коэф. линейной комбинации атомных орбиталей (см. Молекулярных орбиталей методы). На этом основаны способы определения этих коэффициентов.
На зависимости интенсивности линии рентгеновского эмиссионного спектра от концентрации соответствующего элемента основан рентгеновский флуоресцентный анализ (РФА), к-рый широко используют для количеств. анализа разл. материалов, особенно в черной и цветной металлургии, цементной пром-сти и геологии. При этом используют вторичное излучение, т.к. первичный способ возбуждения спектров наряду с разложением в-ва приводит к плохой воспроизводимости результатов. РФА отличается экспрессностью и высокой степенью автоматизации. Пределы обнаружения в зависимости от элемента, состава матрицы и используемого спектрометра лежат в пределах 10-3 -10-1%. Определять можно все элементы, начиная с Mg в твердой или жидкой фазе.
Интенсивность флуоресценции Ii изучаемого элемента i зависит не только от его концентрации Ci в образце, но и от концентраций др. элементов Cj, поскольку они способствуют как поглощению, так и возбуждению флуоресценции элемента i (эффект матрицы). Кроме того, на измеряемую величину Ii оказывают существ. влияние пов-сть образца, распределение фаз, размеры зерен и т.д. Для учета этих эффектов применяют большое число приемов. Важнейшие из них-эмпирич. методы внешнего и внутр. стандарта, использование фона рассеянного первичного излучения и метод разбавления.
В методе внеш. стандарта неизвестную концентрацию элемента Сi определяют путем сравнения интенсивности Ii с аналогичными величинами Iст стандартных образцов, для к-рых известны значения концентрации Сст определяемого элемента. При этом: Сi = СстIi/Iст. Метод позволяет учесть поправки, связанные с аппаратурой, однако для точного учета влияния матрицы стандартный образец должен быть близок по составу к анализируемому.
В методе внутр. стандарта к анализируемому образцу добавляют нек-рое кол-во DСi определяемого элемента, что приводит к росту интенсивности DIi. В этом случае: Сi = IiDСi/DIi. Метод особенно эффективен при анализе материалов сложного состава, но предъявляет особые требования к подготовке образцов с добавкой.
Использование рассеянного первичного излучения основано на том, что в этом случае отношение интенсивности флуоресценции Ii определяемого элемента к интенсивности фона Iф зависит в осн. от Ci и мало зависит от концентрации др. элементов Сj.
В методе разбавления к изучаемому образцу добавляют большие кол-ва слабого поглотителя или малые кол-ва сильного поглотителя. Эти добавки должны уменьшить эффект матрицы. Метод разбавления эффективен при анализе водных р-ров и сложных по составу образцов, когда метод внутр. стандарта неприменим.
Существуют также модели корректировки измеренной интенсивности Ii на основе интенсивностей Ij или концентраций Cj др. элементов. Напр., величину Ci представляют в виде:

Величины а, b и d находят методом наименьших квадратов на основе измеренных значений Ii и Ij в нескольких стандартных образцах с известными концентрациями определяемого элемента Ci. Модели такого типа широко применяют при серийных анализах на установках РФА, снабженных ЭВМ.
Лит.: Баринский Р. Л., Нефедов В. И., Рентгеноспектральное определение заряда атома в молекулах, М., 1966; Немошкаленко В. В., Алешин В. Г., Теоретические основы рентгеновской эмиссионной спектроскопии, К., 1979; Рентгеновские спектры молекул, Новосиб., 1977; Рентгенофлуоресцент-ный анализ, под ред.. X. Эрхардта, пер. с нем., М., 1985; Нефедов В. И., Вовна В. И., Электронная структура химических соединений, М., 1987.
В. И. Нефедов.