1. Общая характеристика ХТС. 1.1. Понятие и связь ХТП и ХТС. Элемент ХТС
Как известно, любое химическое производство представляет собой совокупность большого количества аппаратов, внутри которых протекают различные технологические процессы (ХТП), взаимосвязанные между собой потоками сырья, продуктов и энергоносителей. Так как химическое производство перерабатывает определенное сырье и выпускает конкретную продукцию, то можно заключить, что весь комплекс взаимосвязанных аппаратов и потоков работает в масштабах переработки сырья и выпуска продукции как единое целое, т.е. как система.
Совокупность взаимосвязанных технологическими потоками и действующих как единое целое аппаратов, в которых осуществляется определенная последовательность технологических операций с целью выпуска конкретной продукции – называется химико-технологической системой (ХТС).
Следует отметить, что аппараты обычно представляют собой достаточно сложные технологические системы, следовательно, их также можно рассматривать как ХТС. Рассмотрим эти варианты на примере трехполочной колонны синтеза аммиака, являющейся составной частью производства аммиака (см. Рис. 1.1).

Рис.1.1. Схемы колонны синтеза аммиака
а) Общая схема колонны (аппарата) синтеза аммиака;
б) Операторная технологическая схема колонны синтеза аммиака
В одном случае (Рис.1.1,а), колонна синтеза рассматривается как единый вертикальный цилиндрический аппарат, в который, по одним патрубкам входит азотоводородная смесь, а по другим выходит конвертированный газ. Таким образом, если нет необходимости рассматривать процессы, происходящие внутри колонны, то ее можно изобразить как адиабатный стехиометрический реактор с заданной степенью превращения. В случае, если требуется рассмотреть влияние процессов происходящих внутри колонны, например, определить требуемое количество катализатора по слоям, активность катализатора, требуемую поверхность теплообмена и т.п., то необходимо рассматривать колонну с учетом ее элементов, функционально влияющих на работу аппарата, например, на уровне технологических операторов (Рис. 1.1,б). В этом случае она будет состоять из трех слоев катализатора (поз.141, 143 и 145), двух теплообменников (поз. 133 и 139), двух смесителей потоков (поз. 142 и 144) и делителя потока (поз. 140).
Таким образом, в зависимости от необходимости, ХТС может быть рассмотрена на любом уровне сложности ее элементов.
Элементом ХТС называется часть ХТС, которая в конкретном рассмотрении является неделимой.
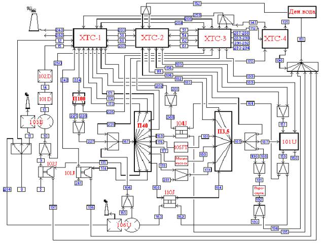
В качестве более сложного примера рассмотрим технологическую схему производства аммиака (Рис.1.2 и Рис.1.3).

Рис.1.2. Функциональная схема производства аммиака
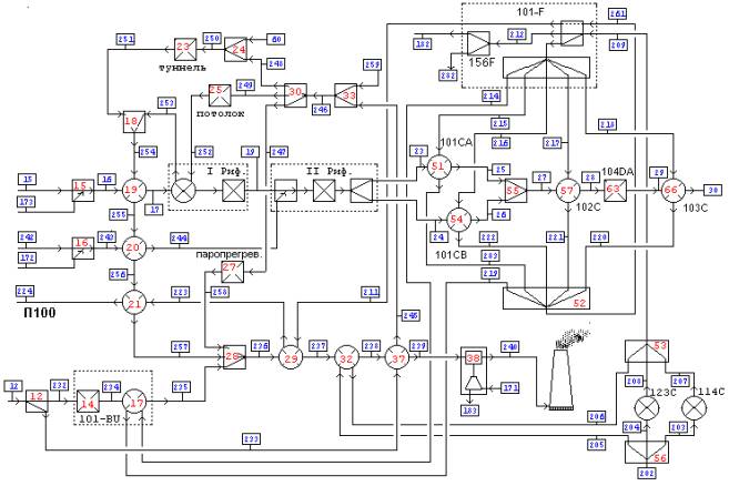
Как видно на Рис.1.2, элементами ХТС производства аммиака являются элементы, условно называемые ХТС-1, ХТС-2, ХТС-3 и ХТС-4, т.е. в конкретном рассмотрении ХТС нет необходимости их детализации. Иным образом, в конкретном рассмотрении они являются своеобразными "черными ящиками", выполняющих функции преобразования входных параметров в выходные. В случае необходимости, каждый их этих элементов (или все указанные элементы) может быть детализован. Например, на Рис.1.3 представлена ХТС оператора ХТС-1 в более детальном – операторном виде. В случае необходимости, элементы схемы, представленной на Рис.1.3 также могут быть детализованы.

Рис 1.3. Операторная схема ХТС-1
Таким образом, в общем виде, как сама технологическая установка, так и каждый ее элемент (который также является технологической системой, но младшего иерархического уровня) могут быть изображены в виде схемы, представленной на Рис.1.4.

Рис.1.4. Принципиальная схема элемента (подсистемы) ХТС
В данном случае, к входным и выходным технологическим параметрам (X, Y) относятся параметры технологических потоков: температура, расход, состав, давление, теплота и т.д., к параметрам управления (U) – степень открытия заслонки, мощность двигателя компрессора и т.д., к параметрам установки (К) – текущую активность катализатора, активную поверхность теплообменника и т.д. Так как входные и выходные технологические параметры характеризуют потоки вещества и энергии, то, как для режима работы всей установки, так и для режима работы каждого ее элемента можно составить материальный и энергетический балансы. Таким образом, выходные технологические параметры будут четко зависеть от входных технологических параметров, параметров управления и параметров установки:
Y = f (X, U, K) [1.1]
В данном уравнении функция "f" характеризует протекающие процессы, которые с достаточной степенью точности могут быть отображены через совокупность физико-химических закономерностей протекающих процессов, и связывающих изменение температуры, давления, объема, концентрации и т.д. в этих процессах. Таким образом, каждый элемент ХТС представляет собой некую подсистему, являющуюся одновременно элементом ХТС.
С целью классификации элементов ХТС применяется иерархический принцип. Обычно различают четыре основных уровня иерархии элементов (подсистем) ХТС:
1. Типовые ХТП и их совокупность в масштабах машин и аппаратов;
2. Агрегаты и комплексы, представляющие совокупность типовых процессов в масштабах производств и их отдельных участков;
3. Совокупность производств в масштабе выпуска товарной продукции;
4. Химическое предприятие в целом.
Как было сказано выше, данное деление по уровням иерархии является условным, следовательно, в зависимости от конкретной задачи может появиться необходимость, например, рассмотреть типовые ХТП на уровнях подсистем их элементов (уровень ниже первого) или рассмотреть совокупность предприятий в региональном масштабе (уровень выше четвертого). Однако при переходе на другие уровни или при одновременном рассмотрении ХТС на различных уровнях одновременно, следует учитывать универсальные принципы построения элементов (подсистем) ХТС и их функционирования.