Рентгенорадиометрический анализ
РЕНТГЕНОРАДИОМЕТРИЧЕСКИЙ АНАЛИЗ (РРА), метод элементного анализа, основанный на измерении интенсивности характеристич. рентгеновского излучения, возникающего в результате взаимод. ионизирующего излучения радионуклидного источника с электронами внутр. оболочек атомов определяемых элементов. Для регистрации рентгеновского излучения используют радиометрия, аппаратуру. Метод позволяет проводить неразрушающий анализ, результаты к-рого не зависят от хим. и агрегатного состояния анализируемого объекта.
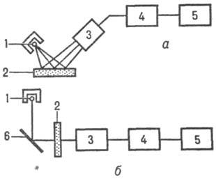
Существуют два варианта РРА-флуоресцентный и абсорбционный. Первый получил более широкое распространение. В этом случае регистрируют характеристич. рентгеновское излучение (обычно К- или L-серии; см. Рентгеновская спектроскопия), испускаемое возбужденными атомами определяемого элемента. Энергия этого излучения зависит от атомного номера элемента, а интенсивность пропорциональна его концентрации. Для возбуждения характеристич. рентгеновского излучения наиб. часто применяют источники низкознергетич. g- или рентгеновского излучения. В нек-рых случаях (напр., при определении легких элементов) предпочтительнее применять источники a-частиц (см. рис., а). Характеристич. рентгеновское излучение элементов пробы регистрируют детектором, преобразующим энергию рентгеновских квантов в электрич. импульсы. Амплитудный анализатор выделяет импульсы с амплитудой, соответствующей энергии квантов характеристич. рентгеновского излучения определяемого элемента. Кол-во импульсов, регистрируемых в единицу времени, пропорционально концентрации элемента.

Схема установки для флуоресцентного (а) и абсорбционного . (б) рентгенорадиометрич. анализа: 1-радионуклидный источник; 2-проба; 3-детектор рентгеновского излучения; 4-амплитудный анализатор; 5 - регистрирующее устройство; 6-мишень.
В абсорбционном РРА пробу облучают рентгеновскими квантами с близкими энергиями Е1 и Е2, причем Е1 < Eсв < < Е2, где Есв-энергия связи электрона на внутр. оболочке атома определяемого элемента. Для получения рентгеновского излучения с энергиями Е1 и Е2 радионуклидным источником облучают сменные мишени, изготовленные из элементов с близкими атомными номерами (см. рис., б). Регистрируют соответствующие энергиям Е1 и Е2 интенсивности I1 и I2 рентгеновского излучения, прошедшего через пробу. При этом отношение I1/I2 зависит от содержания определяемого элемента.
Во всех вариантах РРА содержание элемента в пробе находят сравнением с содержанием его в образце сравнения. Поскольку интенсивность характеристич. рентгеновского излучения зависит не только от содержания элемента, но и от св-в пробы, разработаны методики для учета влияния состава пробы (матричного эффекта) на результаты определений.
Пределы обнаружения элементов зависят от типа детектора. Для определения элементов с атомными номерами
20 широко применяют аппаратуру с пропорциональными и сцинтилляционными счетчиками рентгеновских квантов. При этом пределы обнаружения составляют 10-2-10-3 % для элементов со средними атомными номерами и 10-1-10-2 % для более легких или более тяжелых элементов. Верх. диапазон определяемых содержаний не ограничен. Длительность анализа зависит от применяемой методики и интервала концентраций определяемых элементов и составляет 0,5-5 мин; навеска пробы, как правило, варьирует от 0,02 до 10 г. Для обработки результатов измерений приборы снабжены микропроцессорами.
Полупроводниковые детекторы обладают существенно более высоким энергетич. разрешением. На их базе созданы многоканальные рентгенорадиометрич. анализаторы, позволяющие определять одновременно 10-15 элементов с пределами обнаружения 10-3-10-4 %. Для автоматизации процессов измерений и расчета концентраций элементов используют микро-ЭВМ, входящие в состав анализатора. Созданы программы, позволяющие проводить обработку сложных рентгеновских спектров пробы. С целью снижения (на 2-3 порядка) пределов обнаружения применяют методы хим. концентрирования (экстракцию, осаждение и др.). Недостаток полупроводниковых детекторов на основе Si и Ge-необходимость их охлаждения жидким азотом. Разработаны детекторы с термоэлектрич. охлаждением и полупроводниковые детекторы (на основе HgI2 и др.), не требующие охлаждения в процессе эксплуатации.
Осн. достоинства РРА по сравнению с рентгеновским спектральным анализом: высокая стабильность и монохроматичность возбуждающего излучения; простота проведения многоэлементного анализа и анализа тяжелых элементов по более интенсивным К-линиям рентгеновского спектра; компактность, надежность и экономичность анализирующей аппаратуры. Разработаны портативные приборы, снабженные набором разл. типов датчиков, позволяющих проводить определения мн. элементов без отбора проб на месте проведения геол. изысканий, в продуктах переработки минер. сырья, в сплавах, в биол. и др. объектах. Рентгенора-диометрич. анализаторы применяли для исследования элементного состава пород на Луне и Венере.
Лит.: Мамиконян С. В., Аппаратура и методы флуоресцентного рент-генорадиометрического анализа, М., 1976; Якубович А. Л., Зайцев Е. И., Пржиялговский С. М., Ядерно-физические методы анализа горных пород, 3 изд., М., 1982; Рентгенорадиометрический метод при поисках и разведке рудных месторождений, под ред. А. П. Очкура, Л., 1985. А. А. Медведев.