Ультрамикроскопия
УЛЬТРАМИКРОСКОПИЯ (от лат. ultra, греч. mikros - маленький и skopeo - смотрю), оптич. метод наблюдения и анализа коллоидных частиц в жидкой или газовой фазе с помощью ультрамикроскопов (УМ). Разработан и реализован P. Зигмонди и Г. Зидентопфом (1903), создавшими первый щелевой УМ (рис. 1). В нем исследуемая система неподвижна. Содержащая изучаемое B-BO кювета освещается (с помощью системы источник света - конденсор или линза -осветит. объектив) через прямоугольную щель, изображение к-рой проецируется в зону наблюдения. В окуляр наблюдат. микроскопа видны светящиеся точки, находящиеся в плоскости изображения щели. Выше и ниже освещенной зоны присутствие частиц не обнаруживается.

Рис. 1. Схема щелевого ультрамикроскопа: 1 - источник света; 2 - конденсор; 3 - оптич. щель; 4 - осветит, объектив; 5 - кювета; 6 - наблюдат. микроскоп.
В основе ультрамикроскопии лежит дифракция света на коллоидных частицах, размер к-рых меньше половины длины световой волны, в результате чего система начинает светиться. Частицы можно наблюдать в УМ как яркие дифракц. пятна, изучать их природу, оценивать концентрацию, однако изображений частиц микроскоп не создает. Яркость свечения, а следовательно, и видимость частиц зависят от разности показателей преломления частицы и дисперсионной среды. Если она велика (напр., взвесь металлич. частиц в воде), то отчетливо фиксируются частицы размерами 2-4 нм (т. е. значительно меньше предела разрешения обычных микроскопов). Если эта разность мала (взвесь орг. частиц в воде), то обнаруживаются только частицы размерами не менее 20-40 нм. В лиофильных коллоидах (напр., гелях желатины, декстрина) пов-сть частиц вследствие сольватации не обладает заметной разницей в показателях преломления относительно дисперсионной среды (воды), поэтому свечение в них значительно слабее.
Миним. размер обнаруживаемых частиц зависит также от интенсивности освещения, поэтому в УМ применяют сильные источники света (ртутные лампы высокого давления). Средний линейный размер коллоидных частиц можно определить методом ультрамикроскопии по ф-ле:
, где с - массовая концентрация частиц; V - наблюдаемый объем взвеси; h - среднее число подсчитанных в этом объеме частиц;
- плотность частиц.
В 1950-х гг. Б. В. Дерягин и Г. Я. Власенко разработали поточный УМ, в к-ром поток жидкого золя или аэрозоля движется по стеклянной трубке навстречу наблюдателю. Пересекая зону освещения, формируемую сильным источником света со щелевой диафрагмой, частицы дают яркие вспышки, регистрируемые визуально или с помощью фотометрич. аппаратуры. Расположенный на пути светового луча фотометрич. клин позволяет устанавливать ниж. предел размеров регистрируемых частиц. Определяемые концентрации частиц в коллоидной системе достигают 1010 частиц в 1 см.
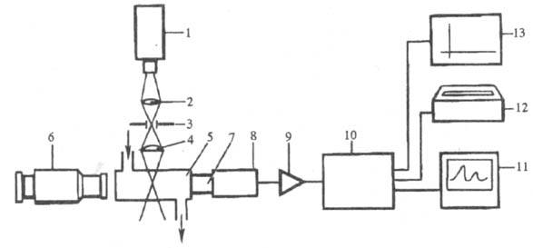
В совр. поточных УМ (рис. 2) источниками света служат лазеры, а счет частиц производится фотоэлектронными умножителями, соединенными с мини-ЭВМ. Такие приборы позволяют исследовать коллоидные системы количественно с большой точностью, напр. строить диаграммы распределения микрочастиц по размерам, а также используются в гидродинамич. исследованиях (для наблюдения характера движения жидкости или газа в сложных трубопроводных системах). В этих случаях микрочастицы стандартного размера (иногда флуоресцирующие) специально вносят в струю жидкости либо газа, отслеживают их траектории, измеряют скорости движения на разл. участках, после чего компьютеры обрабатывают результаты и строят мат. модель гидродинамич. системы.

Рис. 2. Схема поточного ультрамикроскопа-анализатора: 1 - лазерный осветитель; 2 - конденсор; 3 - коллиматор; 4 - объектив; 5 - проточная кювета; 6 -наблюдат. микроскоп; 7 - световод; 8 - фотоэлектронный умножитель; 9 -усилитель-формирователь импульсов; 10 - компьютерный анализатор; 11 -графич. дисплей; 12 - печатающее устройство; 13 - графопостроитель.
Ультрамикроскопию применяют также для определения коэф. диффузии дисперсных частиц в разл. средах путем наблюдения их броуновского движения, для контроля чистоты атм. воздуха, воды, степени загрязнения оптически прозрачных сред посторонними включениями.
Лит.: Коузов П. А., Основы анализа дисперсного состава промышленных пылен и измельченных материалов, 3 изд., Л., 1987. См. также лит. при ст. Коллоидная химия. А.Г. Богданов.