3. Синтез ХТС
При проектировании нового или реконструкции существующего производства, одной из главных задач является синтез варианта ХТС, позволяющего достичь высоких технико-экономических показателей. В общем виде задача синтеза ХТС формулируется следующим образом:
Известно: состав и параметры сырьевых потоков; состав и параметры продукционных потоков; показатель критерия оптимальности функционирования ХТС; ограничения на параметры функционирования элементов ХТС.
Необходимо определить: состав ХТС (входящие в ХТС аппараты); структуру ХТС (связи между аппаратами); конструктивные параметры аппаратов ХТС; текущие технологические параметры работы ХТС; параметры управления ХТС, удовлетворяющие оптимальным параметрам функционирования ХТС.
При решении задачи синтеза ХТС, первоначально должен быть определен путь проведения процесса (химизм), и только затем становится возможным произвести синтез структуры ХТС, определение параметров работы ее элементов и параметров потоков, связывающих эти элементы. В связи с тем, что задача синтеза является сложной многовариантной задачей, ее решение возможно только при использовании определенной методологии и соответствующих подходов.
Самым простым способом синтеза может являться метод, основанный на принципах перебора вариантов топологии ХТС, параметров функционирования элементов и т.д. Однако, в связи со сложностью ХТС и многовариантностью решения отдельных задач синтеза (взаимного соединения реакторов, теплообменников и т.п.) данный способ будет требовать большого количества дополнительной информации и времени, что может быть недостаточно эффективно. Например, хорошо известно, что самопроизвольно тепло может передаваться только от горячего потока к холодному, следовательно, схему предполагающую обратное можно не рассматривать. Однако, в случае простого перебора различных вариантов, параметры функционирования элементов могут быть определены только после синтеза топологии ХТС и составления ее математической модели, необходимой для расчета, и самого расчета. Следовательно, в данном случае, даже неосуществимые варианты будут требовать рассмотрения, а, следовательно, дополнительных затрат.
Для снижения количества рассматриваемых вариантов обычно проводят декомпозицию задачи синтеза ХТС на ряд подзадач или уровней (декомпозиционный метод синтеза ХТС). Пример такой декомпозиции на семь уровней представлен на Рис.3.1. При использовании более простой – двухуровневой декомпозиции, на верхнем уровне будет происходить синтез ХТС из подсистем (химического взаимодействия, разделения, смешения и пр.) и определяться значения параметров потоков, связывающих эти подсистемы. На нижнем уровне будет производиться синтез самих подсистем, и определяться значения параметров потоков, связывающих аппараты, входящие в данные подсистемы. В данном случае, если вариант какой либо синтезированной схемы при ее расчете окажется неосуществимым, затраты на синтез, анализ, моделирование и расчет варианта ХТС будут меньше. Однако даже задача синтеза подсистем является достаточно сложной и требует дополнительных декомпозиций или применения других методов синтеза.
| 1. Выбор маршрутов и условий проведения реакций |
| 2. Определение оптимальных систем химических реакторов |
| 3. Определение оптимальных систем разделения смесей |
| 4. Выбор вспомогательных подсистем |
| 5. Определение оптимальных систем теплообменников |
| 6. Качественный анализ надежности ХТС |
| 7. Анализ динамических свойств ХТС |
Рис.3.1. Порядок многоуровневой декомпозиция задачи синтеза ХТС
К принципам, позволяющим более эффективно решить задачу синтеза ХТС методом декомпозиции можно отнести эвристический принцип синтеза ХТС, который заключается в математической формализации интуитивно-эвристического метода, широко используемого проектировщиками, и, позволяющего высококвалифицированным специалистам интуитивно выбирать наиболее удачные варианты решения проблемы без полного перебора всех возможных альтернативных вариантов. При использовании данного метода принятие решения происходит без обоснования его с помощью доказательств. Однако данный способ принятия решений не снижает его ценности, так как он использует интуитивные факторы и правила, т.е. обобщающие знания и большой практический опыт высококвалифицированных специалистов.
Рассмотри некоторые эвристики, применяемые при разработке технологических схем ряда функциональных подсистем химических производств. Например, для выбора оптимальной технологической схемы разделения многокомпонентных смесей из множества альтернативных вариантов можно использовать следующие эвристики:
а)выбор варианта с последовательным выделением целевых продуктов в виде легких продуктов элементов подсистемы;
б)выбор варианта, в котором отношение количеств верхнего и нижнего продуктов в каждом элементе подсистемы наиболее близко к 1;
в)выбор варианта, в котором разделение компонентов осуществляется в порядке уменьшения различий в значениях относительных летучестей разделяемых ключевых компонентов;
г)ректификационные колонны, требующие наибольших затрат на разделение вследствие близких относительных летучестей ключевых компонентов или высоких требований к чистоте продуктов, должны быть помещены в конце схемы разделения;
д)выбор варианта, характеризующегося минимальной величиной приведенных затрат на реализацию данного технологического процесса в элементе подсистемы и т.д.
При разработке оптимальных технологических схем тепловых подсистем (систем теплообменников) могут использоваться следующие эвристики:
а)выбирается пара потоков, для которой количество передаваемого тепла является максимальным;
б)выбирается пара потоков, для которой заданные конечные температуры потоков не достигнуты, а стоимость использования вспомогательных теплоносителей для доведения температуры этих потоков до заданных конечных значений является минимальной;
в)выбирается пара потоков, стоимость нагрева/охлаждения которых вспомогательными тепло-/хладоносителями является максимальной;
г)выбирается пара потоков, для которой стоимость теплообмена является минимальной и т.д.
При применении эвристического принципа синтеза успех в основном зависит от того, насколько близки эвристические условия к условиям достижения оптимальности рассматриваемой подсистемы ХТС, а также от порядка применения эвристических условий, типа синтезируемой подсистемы, ее сложности, параметров потоков и пр. Для определения данного порядка применения эвристик используют весовые функции отдельных эвристик.
В качестве примера рассмотрим представленный в литературе /7/ пример синтеза системы теплообменников, обеспечивающей нагрев и охлаждение технологических потоков до заданных температур.
Как и для любой технологической схемы в примере используются следующие ограничения:
- технологическая схема должна максимально использовать энергию самих потоков ("холодные" потоки должны по возможности нагреваться "горячими" потоками);
- технологические потоки нельзя разделять, однако если разделение технологического потока необходимо, то разделяемые части потока должны быть рассмотрены как отдельные потоки;
- синтезируемая тепловая схема должна иметь минимальные затраты на реализацию заданной операции теплообмена между потоками;
- в случае, если для нагрева/охлаждения потоков невозможно или невыгодно использовать другие потоки, могут быть использованы внешние теплоносители: насыщенный пар с давлением 31,6 кгс/см2 и охлаждающая вода с температурой 38ОС, причем воду нельзя нагревать выше 82ОС;
- при теплообмене между технологическими потоками, охлаждении их водой и нагреве паром, соответственно, достигаются следующие коэффициенты теплопередачи: 852, 852, 1136 Вт/м2К;
- при теплообмене между технологическими потоками, охлаждении их водой и нагреве паром, соответственно, минимальное сближение температур обрабатываемых температур в теплообменнике составляет 11, 11 и 13ОС.
Исходные параметры технологических потоков представлены в Таблице 3.1.
Таблица 3.1.
Параметры технологических потоков
| № | Расход, | Начальная Т, | Конечная Т, | Теплоемкость, |
| 1 | 20 | 100 | 430 | 0,80 |
| 2 | 40 | 440 | 150 | 0,70 |
| 3 | 35 | 520 | 300 | 0,68 |
| 4 | 36 | 180 | 350 | 0,91 |
| 5 | 31 | 200 | 400 | 0,85 |
| 6 | 32 | 350 | 410 | 0,62 |
| 7 | 42 | 390 | 150 | 0,80 |
В соответствии с методологией применения эвристического принципа, порядок синтеза тепловой схемы (ХТС) будет следующий:
1. Все множество потоков разделяется на подмножества потоков, подлежащих нагреву (поток 1, 4, 5 и 6) и охлаждению (поток 2, 3 и 7). Всем эвристикам (будут использоваться описанные выше эвристики) присваиваются весовые коэффициенты, разные 0,5;
2. Перебором потоков обоих подмножеств определяется возможность осуществления операций теплообмена (т.е. сначала потока 1 с потоками 2, 3, 7, затем потока 4 с потоками 2, 3, 7 и т.д.). Пары потоков, для которых теплообмен возможен, заносятся в таблицу пар обрабатываемых потоков;
3. При помощи эвристики, выбранной с учетом весовых коэффициентов, из таблицы пар обрабатываемых потоков выбирается одна пара и для нее производится расчет теплообменника, т.е. рассчитываются конечные температуры потоков;
4. Если рассчитанные конечные температуры потоков соответствуют заданным конечным температурам, то эти потоки вычеркиваются из списков. В противном случае потоки, имеющие рассчитанные конечные температуры заносятся в таблицы в качестве оставшихся необработанных потоков;
5. Пункты 2-5 повторяются до тех пор, пока не будут исчерпаны все пары обрабатываемых потоков;
6. Оставшиеся потоки, не достигшие конечных температур, подвергаются нагреву/охлаждению вспомогательными потоками. Рассчитываются приведенные затраты на реализацию синтезированной схемы;
7. Рассчитанная, с помощью какой-либо методики, величина приведенных затрат сравнивается с минимальным значением, полученным ранее (первоначальная стоимость системы теплообменников рассчитывается для системы, в которой нагрев и охлаждение проводится только вспомогательными потоками воды и пара). Если полученное решение получится более экономичным, то весовые коэффициенты использованных эвристик увеличиваются, в противном случае – уменьшаются. Если весовой коэффициент эвристики будет равен нулю, то данная эвристика далее не используется.
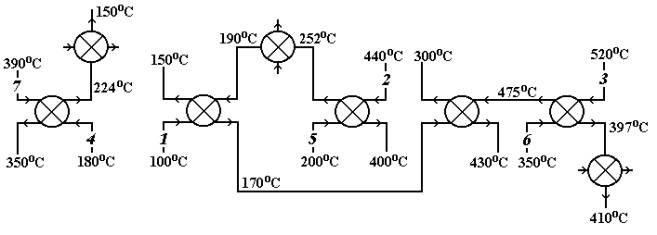
Процесс синтеза ХТС ведут до тех пор, пока снижается приведенная стоимость затрат. При стабилизации приведенной стоимости затрат на некотором минимальном значении, расчеты прекращают. Синтезированная операторная схема системы теплообмена (для данного примера) представлена на Рис.3.2.

Рис.3.2. Операторная схема синтезированной системы теплообмена
Снижение приведенных затрат в процессе синтеза тепловой схемы представлено на Рис.3.3.

Рис.3.3. Изменение приведенных затрат в процессе синтеза тепловых схем.
Как видно из рисунков, синтезированная тепловая схема имеет минимальные приведенные затраты и состоит из восьми теплообменников, пять из которых передают теплоту от охлаждающихся потоков к нагревающимся, и только в три теплообменника подается внешний хладагент.
Рассмотренные принципы синтеза ХТС достаточно широко применяются при синтезе новых производств, однако при реконструкции существующих производств, применение данных принципов приведет к рассмотрению избыточного количества вариантов и может быть недостаточно эффективно. Для целей модернизации существующей технологической схемы, а также и для синтеза новых ХТС может использоваться эволюционный принцип синтеза.
Методологическая основа эволюционного принципа синтеза ХТС заключается в последовательной модификации аппаратурного оформления и коррекции структуры технологических связей некоторого исходного варианта ХТС с использованием методов эвристики и оптимизации. Иным образом, при использовании эволюционного принципа синтеза ХТС, сначала создается исходный вариант технологической топологии ХТС, например, с помощью эвристического принципа синтеза. С помощью методов анализа для данного варианта находится "узкое" место ХТС, определяется критерий оптимальности, и производится соответствующая модификация аппаратурного оформления и структуры технологических связей. После указанной модификации снова производится расчет критерия оптимальности и новый поиск "узкого" места ХТС. Процесс модификации ХТС производится до тех пор, пока не будет достигнуто требуемое значение критерия оптимальности. Таким образом, логически, этот процесс состоит из последовательного итерационного чередования этапов синтеза, анализа, оптимизации и модификации некоторого первоначально заданного технологического решения задачи синтеза ХТС или существующей технологической схемы.
Таким образом, практическая реализация эволюционного принципа синтеза связана с необходимостью использования следующих типов эвристик: эвристики обобщающие практический опыт (позволяющие выделить наименее эффективные элементы или узкие места в исходном варианте технологической топологии ХТС); интуитивные эвристики (позволяющие определить возможные варианты модификации или усовершенствования узких мест ХТС); эвристики, базирующиеся на знаниях высококвалифицированных специалистов (обеспечивающие возможность "стыковки" модифицированного элемента ХТС с немодифицированной частью ХТС).
В заключение, следует отметить, что, к сожалению, использование эволюционного принципа синтеза ХТС позволяет с наибольшей эффективностью получить локальные оптимальные результаты, что обусловлено тем, что результат решения в значительной мере определяется принятыми на первом этапе основными концепциями при разработке исходного варианта технологической топологии ХТС.