Термический крекинг
ТЕРМИЧЕСКИЙ КРЕКИНГ, высокотемпературная переработка нефти и ее фракций с целью получения, как правило, продуктов меньшей мол. массы-легких моторных и котельных топлив, непредельных углеводородов, высокоаро-матизир. сырья, кокса нефтяного.

Рис. 1. Цепь р-ций при термич. крекингепарафиновых углеводородов (по Тиличееву и Немцову).
Физико-химические основы процесса. Направление термического крекинга зависит от природы углеводородного сырья, его мол. массы и условий проведения процесса. Термический крекинг протекает в осн. по цепному радикальному механизму (см. Пиролиз нефтяного сырья) с разрывом связей С—С в молекулах парафиновых (С5 и выше), нафтеновых, алкилароматич. и высококипящих непредельных углеводородов нефтяного сырья и связи С—H в низкомол. парафиновых и др. углеводородах (рис. 1). Одновременно с разрывом связей происходят р-ции полимеризации (непредельные и циклопарафиновые углеводороды) и конденсации (циклизации; непредельные, нафтено-и алкилароматич.и др. углеводороды), приводящие к образованию смолисто-асфальтенового крекинг-остатка и кокса. Важнейшими параметрами, определяющими направление и скорость протекания термического крекинга, являются т-ра, продолжительность и давление. Процесс начинает в заметной степени протекать при 300-350 °С и описывается кинетич. ур-нием первого порядка. Температурная зависимость константы скорости подчиняется ур-нию Аррениуса. Изменения давления влияют на состав продуктов процесса (напр., на выход остаточных фракций и кокса) вследствие изменения скоростей и характера вторичных р-ций полимеризации и конденсации, а также объема реакц. смеси.

Схемы промышленных установок. Подбором углеводородного и фракционного состава сырья, а также т-ры, давления и продолжительности процесса его направляют в сторону получения заданных целевых продуктов (см. табл.).
К первой группе процессов, проводимых под высоким давлением (0,7-7 МПа), относится собственно термический крекинг, давший назв. всему направлению термич. процессов. В пром-сти термический крекинг применяют с 1912 (произ-во бензина в кубовой установке периодич. действия). В 1920-22 созданы первые установки непрерывного действия, в к-рых сырье прокачивалось через обогреваемый пламенем прямоточный змеевик и далее поступало в реакц. камеру и на фракционирование. В 1932 пущена двухпечная установка, в к-рой отдельно крекировалось тяжелое и легкое сырье.
В 1935 внедрена в пром-сть первая двухпечная отечеств. установка, совр. вариант к-рой представлен на рис. 2. При переработке мазута выход продуктов составляет (% по массе): бензина 25-30 (30-40 при переработке газойлей), газов (до С4) 8-10, крекинг-остатка 59-66. Предложены упрощенные ф-лы для определения выхода бензина (фракция с концом кипения 204 °С) В6 (% по объему) и суммы выхода газов плюс потери Вг+п (% по объему) при термическом крекинге мазута или газойля: В6 = 25 + 212 (rс-1 — ro-1)Вг+п = 64 (rс-1— rо-1), где rс, ro-плотность сырья и крекинг-остатка при 15,6°С.

Рис. 2. Технол. схема двухпечного термин, крекинга: 1, 2-печи крекинга соотв. легкого и тяжелого сырья; 3-реакц. камера; 4, 5-испарители соотв. высокого и низкого давлений; 6-ректификац. колонна; 7-газовый сепаратор; I-сырье; II-легкий газойль; III - крекинг-остаток; IV-газ; V-бензин.
На рис. 3 изображена принципиальная технол. схема распространенного в настоящее время варианта термического крекинга с целью получения топочного мазута из гудронов (см. Висбрекинг).

Рис. 3. Технол. схема вирбрекинга гудрона: 1-трубчатая печь; 2-фракционирующая колонна; 3-отдарная колонна; I-сырье; II-холодный газойль ("ку-линг"); III - газ + бензин; IV -водяной пар; V-легкий газойль; VI-котельное топливо.
Среди процессов, проводимых под низким давлением (0,03-0,6 МПа), особенно широко применяют замедленное коксование, пиролиз и термоконтактный крекинг. Эти и др. процессы термического крекинга требуют значит. затрат теплоты на нагрев сырья и эндотермич. р-ции расщепления. Так, суммарный тепловой эффект р-ций термического крекинга составляет 1250-1670 кДж/кг получаемого бензина, при висбрекинге 117-234, замедленном коксовании 84-118 кДж/кг сырья.
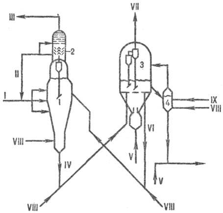
При создании установок большой мощности из-за повыш. отложения кокса на теплообменных пов-стях передачу теплоты через пов-сти трубчатых печей стремятся заменять не-посредств. контактом сырья с перегретым паром или нагретыми циркулирующими порошками. При термоконтактном крекинге (рис. 4), наз. по типу установок также "флюидкокинг" либо "флексикокинг", теплоносителем служит побочный продукт-порошкообразный кокс со средним диаметром частиц ок. 250 мкм. Теплоноситель циркулирует (установка "флюидкокинг") между реактором и коксонагревате-лем, где за счет частичного сжигания в псевдосжиженном слое нагревается до 590-600 °С. Нагрев и крекинг сырья происходят в тонком слое на пов-сти кокса. Продукты р-ций обеспыливаются в циклонных сепараторах и разделяются в парциальном конденсаторе на целевые продукты (выкипают до 500-560 °С), направляемые на фракционирование, и тяжелые фракции (рецикл), возвращаемые в реактор. Избыточное кол-во кокса выводится как товарный продукт либо поступает в спец. аппарат (на рис. не показан), где подвергается тирокислородной конверсии с образованием низкокалорийного топливного газа.

Рис. 4. Технол. схема термоконтактного крекинга: 1-реактор; 2-парциальный конденсатор; 3-коксонагреватель; 4-сепаратор кокса; I-сырье; II-рецикл; III-продукты крекинга на разделение; IV- охлажденный кокс; V-воздух; VI-горячий кокс; VII-дымовые газы; VIII-водяной пар; IX-вода.
При необходимости на установках "флексикокинг" устанавливают два реактора-газификатора, причем в первом, куда подается только воздух, протекает газификация кокса, а во втором (в него поступает пар)-паровая конверсия. При снижении выработки топливного газа на 20% обеспечивается произ-во синтез-газа с молярной долей Н2 50%.
С целью увеличения глубины превращения сырья и выхода светлых нефтепродуктов разработаны новые технол. схемы термического крекинга в присут. водорода.
Лит.: Технология переработки нефти и газа, ч. 2-Смидович Е. В., Кре-кинг нефтяного сырья и переработка углеводородных газов, 3 изд., М., 1980; Справочник нефтепереработчика, под ред. Г. А. Ластовкина [и др.],· Л., 1986, с. 81-106; Химия нефти и газа, под ред. В. А. Проскурякова, А. Е. Драбкина, Л., 1989, с. 284-310. Д.М. Соскинд.