Угли ископаемые
Угли ископаемые — твёрдые горючие полезные ископаемые осадочного происхождения. В состав углей ископаемых входят: органическое вещество — продукт преобразования высших и низших растений с участием микроорганизмов планктона, минеральные примеси (условно не более 50%) и влага.
Угли ископаемые залегают в земной коре в виде пластов, пластообразных и линзовидных залежей, имеют землистую, массивную, слоистую или зернистую текстуру; цвет от коричневого до чёрного.
I. Общие сведения
Угли ископаемые — один из основных видов энергетического сырья; доля их участия в мировом топливно-энергетическом балансе 30—35%. С 1950 по 1974 мировая добыча углей ископаемых увеличилась в 1,7 раза, превысив 3 млрд, т.
Угли ископаемые составляют основную часть (87,5%) прогнозных ресурсов ископаемого топлива Земли, оцениваемых величиной 12,8 триллиона т топлива условного (тут). СССР обладает крупнейшими ресурсами углей ископаемых; разведанные и прогнозные геологические запасы углей ископаемых, отвечающие современным требованиям по качеству и мощности разрабатываемых пластов, составляют 5,7 триллиона т (1968), или 4,6 триллиона тут.
Основные направления промышленного использования углей ископаемых: производство электроэнергии, металлургического кокса, сжигание в энергетических целях, получение при химической переработке разнообразных (до 300 наименований) продуктов. Возрастает потребление углей ископаемых для получения высокоуглеродистых углеграфитовых конструкционных материалов, горного воска, пластических масс, синтетического жидкого и газообразного высококалорийного топлива, ароматических продуктов путём гидрогенизации, высокоазотистых гуминовых кислот для удобрений. Из углей ископаемых извлекаются германий, галий (см. Рассеянных элементов руды). Перспективно извлечение серы из углей ископаемых, использование высокоглинозёмистых зол и отходов обогащения для производства алюминия, в качестве керамического и огнеупорного сырья, строительных материалов, средства очистки промышленных сточных вод. Возможное использование углей ископаемых в промышленности определяется их составом и свойствами, характеризующимися большим разнообразием — следствием различий в исходном материале и условиях его преобразования.
II. Происхождение, состав и свойства
По составу основного компонента — органического вещества — угли ископаемые подразделяются на 3 генетические группы: гумолиты (гумусовые угли), сапропелиты и сапрогумолиты. Преобладают гумолиты, исходным материалом которых явились остатки высших наземных растений. Отложение их происходило преимущественно в болотах, занимавших низменные побережья морей, заливов, лагун, пресноводных бассейнов (озёр и рек) — автохтонное накопление; более ограниченным было отложение при сносе с прилегающих участков суши в застойные водные бассейны растительного материала и продуктов его преобразования — аллохтонное накопление. Накапливавшийся растительный материал в результате биохимического разложения перерабатывался в торф; при этом значительное влияние оказывали обводнённость и химический состав водной среды. Анаэробные (в водной среде) условия приводили к гелификации органического материала — основы образования блестящих — витринитовых, или гелинитовых, углей; аэробные условия и окислительная среда способствовали фюзенизации тканей — образованию волокнистых и сажистых фюзинитовых углей. Элювиация — вымывание проточными водами продуктов окисления лигнино-целлюлозных тканей — сопровождалась обогащением органической массы остатками наиболее устойчивых частей растений (оболочками спор, кутикулой, смоляными тельцами, пробковой тканью коры и т.п.), характерных для матовых лейптинитовых углей. Угли, сложенные почти полностью стойкими форменными элементами (растительными остатками, сохранившими своё строение и очертания), выделяются в особую группу — липтобиолиты (см. Каустобиолиты).
Сапропелиты (сапропелевые угли) — продукт преобразования низших растений и микроорганизмов планктона, накапливавшихся в органогенном иле озёр и морских лагун. На равных стадиях преобразования органического вещества сапропелиты отличаются от гумолитов более высоким выходом летучих веществ (60—80%) и содержанием водорода (8— 12%).
Сапрогумолиты — переходная разность углей ископаемых, продукт преобразования высших, а также низших растений. Сапропелиты и сапрогумолиты обычно залегают в виде прослоев и линз среди гумусовых углей. Высокозольные разности сапропелитов называют горючими сланцами; они нередко образуют самостоятельные бассейны (например, Прибалтийский сланцевый бассейн) и месторождения.
Минеральные примеси находятся либо в тонкодисперсном состоянии в органической массе, либо в виде тончайших прослоек и линз, а также кристаллов и конкреций. Источником минеральных примесей в углях ископаемых могут быть: неорганические составные части растений-углеобразователей; терригенный материал, приносимый в области торфообразования водой и ветром, а также минеральные новообразования, выпадающие из растворов вод, циркулирующих в торфяниках. Состав минеральных примесей — кварц, глинистые минералы (главным образом каолиниты), полевые шпаты, пирит, марказит, карбонаты и др. соединения, содержащие Si, Al, Fe, Ca, Mg, К, Na, Ti, редкие и рассеянные элементы (U, Ge, Ga, V и др.). Содержание минеральных примесей изменяется в широких пределах; большая часть из них при сжигании углей ископаемых превращается в золу.
Различия в исходном материале, степени обводнённости торфяников, химическом составе среды и фациальных обстановках осадко- и торфонакопления, обусловливающие направленность и интенсивность протекания окислительных и восстановительных микробиологических процессов, создали в торфяной стадии основу для образования различных генетических типов углей ископаемых (см. Углепетрография). Торфообразование и торфонакопление завершались перекрытием торфяника осадками, образующими породы кровли. Происходившие при относительно невысоких температурах и давлении диагенетические (уплотнение, дегидратация осадков, газовыделение) и биохимические процессы восстановительного характера приводили к превращению торфа в бурый уголь. Угли ископаемые, включающие слабо разложившиеся древесные остатки, сцементированные землистым углём, называемые лигнитами.
Бурые угли — одна из разновидностей углей ископаемых — имеют широкое распространение. Доля запасов бурых углей и лигнитов в мировых запасах углей ископаемых — 42%. Неглубокое залегание и большая мощность угольных пластов позволяют широко применять открытый способ разработки, экономические и технические преимущества которого во многом компенсируют относительно низкое качество сырья.
В результате длительного воздействия повышенных температур и давления бурые угли преобразуются в каменные угли, а последние — в антрациты. Необратимый процесс постепенного изменения химического состава (прежде всего в направлении обуглероживания), физических и технологических свойств органического вещества в преобразованиях от торфа до антрацита называются углефикацией. Углефикация на стадиях превращения бурых углей в каменные и последних в антрациты, обусловленная происходящими в земной коре процессами, носит название метаморфизма углей. Выделяют 3 основных вида метаморфизма углей: региональный, вызванный воздействием внутренней теплоты Земли и давления перекрывающей толщи пород при погружении углей ископаемых в глубь земной коры; термальный — под влиянием тепла, выделяемого магматическими телами, перекрывшими или внедрившимися в угленосную толщу, либо в подстилающие её отложения; контактовый — под воздействием тепла изверженных пород, внедрившихся в угольные пласты или пересекших их непосредственно; проблематично признаётся возможным метаморфизм углей за счёт повышения температур в областях проявления тектонических сжимающих и скалывающих) усилий — динамометаморфизма.
Структурно-молекулярная перестройка органического вещества при метаморфизме углей сопровождается последовательным повышением в них относительного содержания углерода, снижением содержания кислорода, выхода летучих веществ; в определённых закономерностях с экстремальными значениями на средних стадиях углефикации изменяются содержание водорода, теплота сгорания, твёрдость, плотность, хрупкость, оптические, электрические и др. физические свойства углей ископаемых (рис. 1). Для определения этих стадий используются: выход летучих веществ V Г, содержание углерода, микротвёрдость и др. особенности химического состава и физических свойств углей. Наиболее эффективен метод определения стадии углефикации по отражательной способности витринита ®.
Каменные угли на средних стадиях метаморфизма приобретают спекающие свойства — способность гелифицированных и липоидных компонентов органического вещества переходить при нагревании в определённых условиях в пластического состояние и образовывать пористый монолит — кокс. Относительное количество запасов углей ископаемых с высокой спекающейся способностью составляет 10—15% от общих запасов каменных углей, что связано с более высокой интенсивностью преобразования органических вещества на средних стадиях метаморфизма. Спекающиеся угли возникают при температурах примерно от 130 до 160—180 °С при общем диапазоне температур, обусловливающих протекание метаморфизма углей ископаемых, от 70—90 °С для длиннопламенных углей до 300—350 °С для антрацитов. Наиболее высококачественные спекающиеся угли формировались в бассейнах, испытавших региональный метаморфизм при глубоком погружении угленосной толщи. При термальном и контактовом метаморфизме в связи с резким изменением температур и невысоким давлением преобразование органического вещества протекает неравномерно и качество углей отличается невыдержанностью технологических свойств. Породы угленосных формаций наряду с метаморфизмом углей испытывают катагенетические преобразования (см. Катагенез).
В зонах аэрации и активного действия подземных вод вблизи поверхности Земли угли ископаемые подвергаются окислению. По своему воздействию на химический состав и физические свойства углей ископаемых окисление имеет обратную направленность по сравнению с метаморфизмом: угли ископаемые утрачивают прочностные свойства (до превращения их в сажистое вещество) и спекаемость; в них возрастает относительное содержание кислорода, снижается количество углерода, увеличиваются влажность и зольность, резко снижается теплота сгорания. Глубина окисления углей ископаемых в зависимости от современного и древнего рельефа, положения зеркала грунтовых вод, характера климатических условий, вещественного состава и метаморфизма углей колеблется от 0 до 100 м по вертикали.
Различия в вещественном составе и степени метаморфизма обусловили большую дифференциацию технологических свойств углей ископаемых. Для установления рационального направления промышленного использования углей ископаемых подразделяются на марки и технологические группы; в основу такого подразделения положены параметры, характеризующие поведение углей ископаемых в процессе термического воздействия на них (см. табл.). Границей между бурыми и каменными углями принята высшая теплота сгорания рабочей массы беззольного угля, равная 5700 ккал/кг (23,86 Мдж).
Ведущий показатель при использовании углей ископаемых в энергетических целях — низшая теплота сгорания — в пересчёте на рабочее топливо (Qпн) колеблется в пределах (ккал/кг): 2000—5000 (8,372—20,930 Мдж) для бурых, 4100—6900 (17,162 — 28,893 Мдж) для каменных углей и 5700—6400 (23,86—26,79 Мдж) для антрацитов. Пониженная величина этого показателя у бурых углей объясняется низкой степенью углефикации органического вещества, слабой уплотнённостью материала и, соответственно, высокой их естественной влажностью, изменяющейся в пределах 15—58%. По содержанию рабочей влаги (W p) бурые угли подразделяются на технологические группы: Б1 с Wp > 40%, Б2 с Wp 30—40% и Б3 с Wp < 30%.
В основу промышленной маркировки каменных углей положены показатели, характеризующие результаты их высокотемпературной сухой перегонки (коксования): выход летучих веществ, образующихся при разложении органической массы (частично неорганического материала — сульфидов, карбонатов, гидратированных минералов), и характеристика беззольного горючего остатка — кокса по спекаемости. Весовой выход летучих веществ (VГ) из углей ископаемых последовательно снижается с повышением степени углефикации от 45 до 8% у каменных углей и до 8—2% у антрацитов.
В СССР спекаемость углей ископаемых определяется в лабораторном аппарате пластометрическим методом, предложенным в 1932 советскими учёными Л. М. Сапожниковым и Л. П. Базилевич, по толщине образующегося при нагревании пластического слоя (у) с учётом усадки (х), выраженных в мм. Наибольшей спекающей способностью характеризуются каменные угли средних стадий углефикации с толщиной пластического слоя 10—35 мм (марок К и Ж). С понижением и увеличением степени метаморфизма спекаемость углей ископаемых снижается. Угли марок Д и Т характеризуются слабоспекшимся порошкообразным нелетучим остатком. В таблице приведены величины основных показателей качества углей на различных стадиях углефикации применительно к маркам, употребляемым в СССР.
Основные показатели качества углей марочного состава
| Марки угля | Буквен-ное обоз-начение марок | Средние величины показателей для углей, состоящих преимущественно из витринита | Отражательная способность витринита в масляной иммерсии R °, % |
| ||
| Выход лету- чих веществ Vг, % | содержание углерода Сг, % | теплота сгорания Qгб, ккал/кг |
| |||
| Бурые ДлнннопламенныеГазовые Жирные Коксовые Отощённо-спекаю- щиеся Тощие Антрациты | Б Д Г Ж К
ОС Т А | 41 и более 39 и более 36 30 20
15 12 менее 8 | 76 и менее 76 83 86 88
89 90 91 и более | 6900—7500 7500—8000 7900—8600 8300—8700 8400—8700
8450—8780 7300—8750 8100—8750 | 0,30—0,49 0,50—0,64 0,65—0,84 0,85—1,14 1,15—1,74
1,75—2,04 2,05—2,49 2,50—6,00 | |
Кроме указанных в таблице, в некоторых бассейнах выделяются промежуточные марки: газовые жирные (ГЖ), коксовые жирные (КЖ), коксовые вторые (K2), слабоспекающиеся (СС). Угли марок Г, ГЖ, Ж, КЖ, К и ОС подразделяются на технологические группы по спекающей способности; для указания технологической группы к буквенному обозначению марки прибавляется цифра, указывающая низшее значение толщины пластического слоя (у) в данных углях, например Г6, Г17, КЖ14 и т.п. Для углей конкретных бассейнов величины классификационных показателей (VГ и у) регламентируются ГОСТом. Для получения металлургического кокса используется смесь различных марок углей — шихта, основным компонентом которой являются угли с высокими спекающими свойствами.
Подразделение углей ископаемых на бурые, каменные и антрациты принято в большинстве стран Европы (в некоторых — с выделением дополнительно лигнитов). В основу принятой в 1956 Европейской экономической комиссией ООН Международной системы классификации каменных углей также положены выход летучих веществ (VГ) для углей с VГ > 33% — высшая теплота сгорания влажной беззольной массы (Qвбезз), спекающая способность и коксуемость. Тип угля обозначается кодовым трёхзначным номером, первая цифра которого указывает класс угля (по VГ или Qвбезз), вторая — группу (по спекающей способности, определённой методом Рога или индексом вспучивания в тигле), третья — подгруппу (по коксуемости, определённой методами Одибер-Арну или Грей-Кинга). В США и некоторых др. странах угли ископаемые подразделяются на лигниты, суббитуминозные, битуминозные угли и антрациты; классификационными параметрами приняты: для лигнитов, суббитуминозных и битуминозных (с высоким VГ >31%) углей — теплота сгорания беззольной массы, для битуминозных с VГ < 31% и антрацитов — выход летучих веществ и содержание связанного углерода.
Маркировка углей, отражая комплекс определённых технологических свойств разновидностей углей ископаемых, используется как основной критерий в практике промышленного использования углей. Для конкретных направлений потребления устанавливаются дополнительные технические требования. Резкое снижение теплового эффекта сгорания углей ископаемых и экономических показателей их использования за счёт балласта (золы и влаги) определяет необходимость брикетирования углей с высокой естественной влажностью и предварительного обогащения высокозольных углей (см. Обогащение полезных ископаемых). Предельная зольность углей ископаемых, направляемых на слоевое сжигание, не должна превышать 20—37%, на пылевидное сжигание — 45%.
Для коксования используются малозольные (обогащенные) спекающиеся каменные угли, в которых лимитируется содержание серы и фосфора. Для полукоксования, газификации, получения жидкого топлива, горного воска и др. направлений потребления нормируются спекаемость, сернистость, зольность, кусковатость, термическая стойкость, содержание смол, битумов и др. показатели качества.
III. Основные закономерности угленакопления
Углеобразование — один из региональных геологических процессов, протекавший и возобновлявшийся при благоприятном сочетании тектонических, климатических, геоморфологических, фитоценологических и др. факторов. Крупные эпохи углеобразования приурочены к периодам медленных колебательных движений земной коры на фоне общего длительного погружения крупных областей и участков. Для углеобразования существенное значение имели возникновение в нижнем палеозое наземной растительности и её эволюция в последующей истории Земли. Наличие в осадочных толщах гумусовых углей отмечается с силура, а угленакопление промышленного значения — с девона. Получившие в среднем палеозое развитие влаголюбивые папоротникообразные растения ограничивали размещение областей угленакопления приморскими (или постепенно терявшими связь с морем) равнинами — паралический тип углеобразования. С последующей эволюцией растительных форм и расселением их на суше связано перемещение областей углеобразования в глубь материков; преобладающее развитие получил лимнический тип углеобразования.
В познание процессов углеобразования, закономерностей пространственного распределения запасов углей ископаемых и др. проблем геологии углей большой вклад внесён русскими и советскими геологами. Первыми специалистами по геологии угольных бассейнов были Л. И. Лутугин и его ученики — В. И. Яворский, П. И. Степанов, А. А. Гапеев и др.; кроме того, большие работы были проведены М. А. Усовым, Ю. А. Жемчужниковым, И. И. Горским, Г. А. Ивановым, М. М. Пригоровским, А. К. Матвеевым, Г. Ф. Крашенинниковым и др. Развитие учения о геологии угля в зарубежных странах связано с именами немецких (Г. Потонье, К. Науман, М. и Р. Тейхмюллеры, Э. Штах и др.), английских (М. Стопе, К. Маршалл, У. Фрэнсис и др.), американских (Р. Тиссен, Д. Уайт и др.), голландских (Д. Кревелен), чешских (В. Гавлена) учёных и др.
Анализ стратиграфического и палеогеографического распределения масс углей ископаемых на Земле лег в основу разработанной в 1937 П. И. Степановым теории поясов и узлов углеобразования. Им установлена определённая закономерность в размещении одновозрастных угольных районов и бассейнов в виде поясов широтного или субмеридионального направления, которые были приурочены к зонам земной поверхности с палеоклиматическими и геотектоническими условиями, благоприятными для накопления угольной массы. На основании стратиграфического распределения учтенных запасов углей ископаемых П. И. Степанов выделил два максимума углеобразования — в верхнем карбоне — перми и в палеогене — неогене, а также высказал предположение о наличии третьего — в юрско-нижнемеловое время. Последующие исследования подтвердили эти закономерности. Стратиграфическое распределение учтенных мировых геологических запасов углей по состоянию на 1970 (14 триллионов т) приведено на (рис. 2). В СССР основные запасы углей ископаемых сосредоточены в бассейнах пермского (48,5%) и юрско-мелового (39%) возрастов.
Углеобразование является одним из региональных геологических процессов, проявившихся на территории всех континентов (рис. 3). Площади непрерывного распространения угленосных формаций (см. Формация геологическая) колеблются от нескольких до сотен тыс. км; мощности — от десятков м до 20 км, число заключённых в них пластов угля — от единиц до нескольких сотен. Согласно современным представлениям, все основные черты угленосных формаций — их мощность, пространственная изменчивость состава и строения, взаимоотношение с вмещающими породами, количественная и качественная характеристика угленосности, метаморфизм углей, тектоника и др.— определяются характером и интенсивностью колебательных движений земной коры, в тесной взаимосвязи с историей структурного развития и палеогеографией. Так, для угленосных формаций, приуроченных к краевым прогибам, унаследованным и наложенным крупным впадинам на складчатом основании (см. Тектонические прогибы), характерны большая мощность формаций; зональность их тектонического строения (от сильно дислоцированных структур по границе с орогенными областями к спокойным в центральной и приплатформенной частях бассейна), многопластовость, горизонтальная и вертикальная зональность в проявлении регионального метаморфизма углей, широкий диапазон их марочного состава (от бурых до антрацитов). В СССР с этими формациями связаны бассейны, обеспечивающие сырьём коксохимическую промышленность: Донецкий, Кузнецкий, Карагандинский и Печорский.
Крупные по масштабам процессы углеобразования приурочены к платформенным областям. В угленосных формациях, связанных с посторогенными (Челябинский и Тургайский бассейны), унаследованными и наложенными впадинами (Канско-Ачинский, Майкюбенский и Южно-Уральский бассейны) часто накапливались мощные угольные пласты. К платформенным синеклизам приурочены маломощные угленосные формации с невысокой угленосностью (Подмосковный и Иркутский бассейны). Степень углефикации углей платформенных формаций невысокая, преобладают угли бурые и каменные марок Д и Г. В орогенных областях углеобразование проявилось слабо, на локальных площадях, где создались благоприятные для континентального осадконакопления условия. Из-за сложной тектоники такие месторождения имеют очень ограниченное промышленное значение
IV. Морфология угольных пластов и условия их залегания
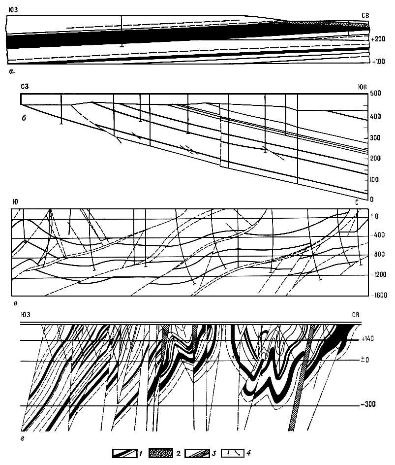
Подавляющему большинству угленосных формаций свойствен пластовый характер залегания углей ископаемых между почти параллельными напластованиями вмещающих пород на обширных площадях, при небольшой по сравнению с площадью распространения мощности. В прибрежно-морских и прибрежно-бассейновых (лагунной, дельтовой) обстановках осадконакопления, характерных для угленосных формаций, приуроченных к переходным (от орогенных к платформенным) областям, угольные пласты формировались на огромных площадях, измеряемых сотнями км2. Мощность отдельных пластов — от см до нескольких м, при относительно высокой выдержанности морфологических черт. Свойственная платформенным областям внутриконтинентальная (озёрная, озёрно-болотная, речная) обстановка осадконакопления обусловила более ограниченное по площади распространение пластов, во многих случаях их линзовидную форму. Мощность многих угольных залежей достигает здесь на значительных площадях десятков, в единичных случаях — сотен м. В практике промышленной оценки принято разделять угольные пласты: по мощности — на весьма тонкие (до 0,5 м), тонкие (0,5—1,3 м), средней мощности (1,3—3,5 м), мощные (3,5—15 м) и весьма мощные (более 15 м); по выдержанности морфологии и качества угля — на выдержанные, относительно выдержанные и невыдержанные. На выдержанности морфологии угольных пластов, оцениваемой обычно на площадях в несколько км2, отражается прежде всего региональное и локальное расщепление — результат прерывистых дифференцированных погружений дна бассейна, неравномерного сноса песчано-глинистого материала, колебаний уровня вод и др. Изменение мощностей пластов обусловливается также неровностями ложа торфяника и размывами как в процессе накопления, так и после захоронения торфяников и углей овражно-речной сетью или морской трансгрессией. Сохранность угольных пластов нарушается в ряде случаев процессами карстообразования в подстилающих угленосную толщу отложениях, выгоранием пластов, возникшим в результате окисления угля атмосферным воздухом, воздействием тектонических подвижек, приводящим к пережимам и раздувам, а также ассимиляцией угля изверженными породами, внедрившимися в угленосную толщу. Залегание угольных пластов также характеризуется большим разнообразием. Лишь в некоторых бассейнах и месторождениях платформенной группы угольные пласты характеризуются слабоволнистым, почти горизонтальным ненарушенным залеганием. В большей же части угленосные образования подверглись складкообразованию, сопровождавшемуся разрывными нарушениями (рис. 4). В практике разведки и эксплуатации условия залегания угольных пластов оцениваются для локальных участков крупных бассейнов и месторождений с запасами угля, обеспечивающими работу шахты (углеразреза). В масштабе шахтных (карьерных) полей ведущими структурными формами являются: моноклинали — крылья пологих синеклиз и антеклиз платформ, а также крылья и замковые части крупных синклиналей и антиклиналей; ограниченные по размерам брахискладки и участки с сопряжением различных складчатых форм более мелких порядков. Сопровождающие складчатость и наложенные разрывные нарушения создают блоковый характер залегания угольных пластов с размерами обособленных блоков от несколько км2 до мелкоблочных и чешуйчатых форм. Применительно к действующим принципам геологопромышленной оценки угольные месторождения и угленосные площади по степени сложности геологического строения подразделяются с учётом выдержанности морфологии угольных пластов и качества угля, а также характера проявления тектоники на три группы. К первой группе относятся месторождения (участки) простого строения с выдержанными мощностями основных рабочих пластов и качеством углей, ненарушенным или слабонарушенным залеганием; ко второй — месторождения (участки) сложного строения с изменчивой мощностью и строением большей части угольных пластов либо с невыдержанным качеством углей, а также угленосные площади, на которых при выдержанной морфологии основных пластов залегание последних — сложно складчатое или интенсивно нарушено разрывами; третью группу составляют месторождения (участки) очень сложного строения, интенсивно нарушенные складчатостью и разрывами, мелкоблочным залеганием или сложной изменчивой морфологией угольных пластов. Приведённая группировка используется при проектировании геологоразведочных работ, подсчёте запасов углей и планировании строительства угледобывающих предприятий. См. также Угольная промышленность, Подземная разработка полезных ископаемых.
Лит.: Потонье Г., Происхождение каменного угля и других каустобиолитов, Л. — М. — Грозный — Новосибирск, 1934; Жемчужников Ю. А., Общая геология ископаемых углей, 2 изд., М., 1948; Крашенинников Г. Ф., Условия накопления угленосных формаций СССР, М., 1957; Матвеев А. К., Геология угольных бассейнов и месторождений СССР, М., 1960; Иванов Г. А., Угленосные формации, Л., 1967; Миронов К. В., Геологические основы разведки угольных месторождений, М., 1973; Метаморфизм углей и эпигенез вмещающих пород, М., 1975; Геология месторождений угля и горючих сланцев СССР, т. 1-11, М., 1962—73; Haviena V., Geologic uhelnуch ložisek, sv. 1—3, Praha, 1963—65: Francis W., Coal: its formation and composition, 2 ed., L.. 1961; Krevelen D. W. van, Coal, Arnst., 1961.
К. В. Миронов.

Рис. 3. Распределение учтенных (по состоянию на 1970) мировых запасов углей по континентам: 1 — Европа; 2 — Азия; 3 — Северная Америка; 4 — Южная Америка; 5 — Африка; 6 — Австралия.

Рис. 2. Распределение учтённых (по состоянию на 1970) мировых запасов ископаемых углей по геологическому возрасту (по А. К. Матвееву) (в %): 1 — девон; 2 — карбон; 3 — пермь; 4 — триас; 5 — юра; 6 — мел; 7 — палеоген — неоген.

Рис. 1. Изменение рабочей влажности (Wp), теплоты сгорания (Qгб), содержания углерода (Cr), выхода летучих веществ (Vr) и отражательной способности витринита (R) с повышением степени углефикации углей (по И. В. Ерёмину, Э. М. Паху).

Главные угольные бассейны и месторождения.

Рис. 4. Примеры месторождений с различной сложностью тектоники: а — Итатское, Канско-Ачинский бассейн; б — Саранский участок, Карагандинский бассейн; в — Алмазно-Марьевский район, Донбасс; г — Бачатский район, Кузбасс. 1 — угольные пласты; 2 — зоны выгорания угля; 3 — разрывные нарушения; 4 — скважины.