Масс-спектрометрия

МАСС-СПЕКТРОМЕТРИЯ (масс-спектроскопия, масс-спектральный анализ), метод анализа в-ва путем определения массы (чаще, отношения массы к заряду m/z) и относит. кол-ва ионов, получаемых при ионизации исследуемого в-ва или уже присутствующих в изучаемой смеси. Совокупность значений m/z и относит. величин токов этих ионов, представленная в виде графика или таблицы, наз. масс-спектром в-ва (рис. 1).
Масс-спектр метилсалицилата
Начало развитию масс-спектрометрии положено опытами Дж. Томсона (1910), исследовавшего пучки заряженных частиц, разделение к-рых по массам производилось с помощью электрич. и магн. полей, а спектр регистрировался на фотопластинки. Первый масс-спектрометр построен А. Демпстером в 1918, а первый масс-спектрограф создал Ф. Астон в 1919; он же исследовал изотопич. состав большого числа элементов. Первый серийный масс-спектрометр создан А. Ниром в 1940; его работы положили начало изотопной масс-спектрометрии. Прямое соединение масс-спектрометра с газо-жидкостным хроматографом (1959) дало возможность анализировать сложные смеси летучих соед., а соединение с жидкостным хроматографом с помощью термораспылит. устройства (1983) -смеси труднолетучих соединений.
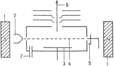
Macс-спектральные приборы. Для разделения ионов исследуемого в-ва по величинам m/z, измерения этих величин и токов разделенных ионов используют масс-спектральные приборы. Приборы, в к-рых регистрация осуществляется электрич. методами, наз. масс-спектрометрами, а приборы с регистрацией ионов на фотопластинках - масс-спектрографами. Масс-спектральные приборы состоят из системы ввода пробы (система напуска), ионного источника, разделительного устройства (масс-анализатора), детектора (приемника ионов), вакуумных насосов, обеспечивающих достаточно глубокий вакуум во всей вакуумной системе прибора, и системы управления и обработки данных (рис. 2). Иногда приборы соединяют с ЭВМ.
Блок-схема масс-спектрометра
Масс-спектральные приборы характеризуются чувствительностью, к-рая определяется как отношение числа зарегистрированных ионов к числу атомов введенной пробы. За абс. порог чувствительности принимают миним. кол-во исследуемого в-ва (выраженное в г, молях), за относительный - миним. массовую или объемную долю в-ва (выраженную в %), к-рые обеспечивают регистрацию выходного сигнала при отношении сигнал-шум 1:1.
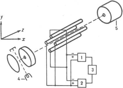
Ионный источник предназначен для образования газообразных ионов исследуемого в-ва и формирования ионного пучка, к-рый направляется далее в масс-анализатор. наиб. универсальный метод ионизации в-ва - электронный удар. Впервые осуществлен П. Ленардом (1902). Совр. источники такого типа построены по принципу источника А. Нира (рис. 3).
Схема ионного источника типа источника А
Рис. 3. Схема ионного источника типа источника А. Нира: 1 - постоянный магнит; 2 - катод; 3 - выталкивающий электрод; 4 - поток электронов; 5 - ловушка электронов; 6 - ионный луч; 7 - ввод в-ва.

Для ионизации молекул обычно используют электроны с энергиями 70-100 эВ, к-рые движутся со скоростью 108 см/с и проходят путь, равный диаметру молекулы орг. соед. за 10-16 с. Этого времени достаточно для удаления электрона из молекулы в-ва и образования мол. иона - положительно заряженного ион-радикала М+', имеющего энергию 2-8 эВ. Ионы с миним. запасом энергии достаточно устойчивы и достигают приемника. Ионы с большим запасом внутр. энергии распадаются на пути движения на ионы с меньшей мол. массой (т. наз. осколочные ионы), характерные для в-ва определенного строения. Для ионизации молекул энергия электронного пучка должна превышать нек-рую критическую для в-ва величину, наз. потенциалом ионизации. Потенциалы ионизации лежат в пределах 3,98 эВ (Fr) - 24,58 эВ (Не), для большинства орг. соед. 7-11 эВ. Используя моноэнергетич. пучки электронов и снижая их энергию до пороговых значений, можно определять потенциалы ионизации в-в и потенциалы появления ионов - критич. энергию электронов, при к-рой в спектре появляются линии соответствующих осколочных ионов. При ионизации электронным ударом происходит перераспределение энергии возбуждения по колебат. степеням свободы мол. иона, прежде чем этот ион распадается. Предположение о квазиравновесном распределении энергии возбуждения позволяет полуэмпирич. путем рассчитать масс-спектры нек-рых в-в, согласующиеся с эксперим. данными. Однако во мн. случаях, особенно для длинных молекул, эта теория не подтверждается. Для двухатомных молекул изменения колебат. состояний объясняются, исходя из принципа Франка - Кондона (см. Квантовые переходы). При взаимод. низкоэнсргетич. электронов (менее 10 эВ) с в-вом могут осуществляться процессы резонансного захвата электронов молекулами с образованием отрицательно заряженных ионов М- (см. также Ионы в газах). Масс-спектрометрия электронного удара - высокочувствит. метод анализа, позволяет анализировать пикомольные кол-ва в-ва, ее предпочитают для исследования структуры соединений. Существуют "библиотеки" масс-спектров, содержащие спектры более 70000 орг. соед., по к-рым можно проводить их идентификацию с применением ЭВМ. Недостатки метода: мол. ионы образуются лищь у 20% орг. соед.; метод применим только для определения легколетучих термически стабильных соед.; в значениях полного ионного тока на ионы с большими значениями m/z, дающие информацию о мол. массе и наличии функц. групп, приходится меньшая часть; отрицательно заряженные ионы, имеющие большое значение в структурном анализе, образуются в очень небольшом кол-ве и ограниченным числом орг. соединений. Хим. ионизация осуществляется при столкновении молекул исследуемого в-ва с ионами реагентного газа, в качестве к-рого м. б. индивидуальные в-ва или их смеси. Реагентный газ находится в источнике под давлением 65-130 Па, парциальное давление исследуемого в-ва 0,1-0,01 Па. При бомбардировке такой смеси электронами с энергией 70-500 эВ преим. ионизируются молекулы реагентного газа; образовавшиеся положительно заряженные ионы в результате ионно-молекулярных столкновений с неионизированными молекулами реагентного газа преобразуются в реактантные ионы, к-рые в свою очередь взаимод. с молекулами исследуемого в-ва и ионизируют их, образуя ионы МН+. Наиб. употребительные реагентные газы и их характеристики приведены в таблице.
Реагентные газы
Хим. ионизация с образованием положительно заряженных ионов может осуществляться также в результате переноса заряда с реактантных ионов, напр., Не+' , Ar+' , N2+', СО+', NO+' на молекулы исследуемого в-ва; при этом образуется мол. ион М+. Масс-спектры хим. ионизации с реагентными газами Ar и N2 напоминают спектры электронного удара. Метод хим. ионизации позволяет оценивать кислотно-основные св-ва орг. соед. в газовой фазе. Хим. ионизация с образованием отрицательно заряженных ионов осуществляется в результате взаимод. исследуемых молекул с ионами NH2-, ОН-, СН3О- (сродство к протону соотв. 1682, 816 и 778 кДж/моль). Последние образуются при захвате молекулами NH3, H2O и СН3ОН электронов с пониж. энергией (ок. 6 эВ) с послед. распадом образовавшихся мол. ионов М- (диссоциативный захват). Ионы ОН- и СН3О- образуются в значит. кол-ве при электронной бомбардировке соотв. смесей N2O с СН4 или (СН3)3СН, Н2О и N2O с СН3ОН. Часто метод хим. ионизации более чувствительный, чем метод ионизации электронным ударом, т. к. практически все имеющиеся в ионизационной камере электроны используются для ионизации. Метод позволяет анализировать пространств. и оптич. изомеры. Его важное достоинство - большой выход протонированных мол. ионов МН+ при малом выходе осколочных ионов. Полевая ионизация осуществляется в сильном электрич. поле, образующемся в пространстве между полевым анодом (острие или тонкая вольфрамовая проволока) и противоэлектродом (катодом), разность потенциалов между к-рыми 10 кВ. Молекула в таком электрич. поле теряет электрон и превращ. в положительно заряженный ион. Масс-спектры напоминают спектры электронного удара. Полевая десорбция. Труднолетучие орг. и неорг. соед. наносятся на пов-сть специально обработанного проволочного эмиттера, вблизи к-рого существует сильное электрич. поле. В результате туннельного перехода электрона молекулы к эмиттеру в-во на пов-сти проволоки ионизируется; образовавшиеся ионы десорбируются и переходят в газообразное состояние. Для облегчения десорбции проволоку подогревают, пропуская через нее электрич. ток. Применяется в анализе синтетич. полимеров и углеводородов. При фотоионизации молекулы ионизируются в результате поглощения единств. фотона, энергия к-рого должна превышать потенциал ионизации молекулы. Источники фотонов - газосветные лампы, разряды в водороде или инертных газах, синхротроны. Многофотонная ионизация газообразных в-в происходит в результате одновременного поглощения молекулой неск. фотонов. Такие процессы наблюдаются при взаимод. с в-вом достаточно интенсивного пучка лазерного излучения, энергия квантов к-рого меньше потенциала ионизации. Для этой цели используют перестраиваемые лазеры на красителях, образующие излучения с длинами волн 250-700 нм. Для ионизации большинства молекул достаточно поглощение 2-3 фотонов с энергией 1,77-4,96 эВ. Десорбционная ионизация основана на бомбардировке труднолетучего в-ва, помещенного в матрицу (глицерин, монотиоглицерин, полиэтиленгликоли, этаноламины и др. жидкости), пучками ускоренных частиц (атомы или ионы инертных газов Ar, Кr, Хе, а также ионы щелочных металлов, напр. Cs). В результате диффузионного обмена в жидкости с облучаемой пов-сти непрерывно удаляются продукты деструкции в-ва, что позволяет получать хорошо воспроизводимые масс-спектры. Применяют также метод ионизации тяжелыми продуктами деления радиоактивного 252Cf и ионами тяжелых элементов, получаемыми на ускорителях. В местах попадания таких тяжелых частиц в мишень, к-рая представляет собой пленку исследуемого в-ва на металлич. фольге, металлизир. пластике или нитроцеллюлозе, за 10-11 с достигаются т-ры до 3.104 °С. Такое быстрое нагревание позволяет ионизировать тяжелые молекулы без разложения. Лазерная десорбция применяется для ионизации и испарения конденсир. в-в и осуществляется с помощью лазеров с модулированной добротностью, работающих в импульсном (длительностью до 30 нc) или непрерывном режимах. Характер масс-спектра обычно мало зависит от длины волны (265 нм - 10,6 мкм), уд. мощности (103-1010 Вт/см2) и длительности импульса лазерного излучения. Исследуемое в-во наносят на металлич. подложку и облучают фотонами с любой стороны в зависимости от конструкции прибора. Использование лазерных лучей разной степени сфокусированности позволяет проводить локальный анализ пробы в пятне диаметром 0,5 мкм - 4 мм. Возможна ионизация в-ва в искровом или тлеющем разряде. На электроды, один из к-рых изготовлен из исследуемого в-ва, подается напряжение (не более 15 кВ) в виде коротких импульсов высокой частоты. Пробой между электродами приводит к испарению материала электродов и его ионизации в образующейся плазме. Образовавшиеся положительно заряженные ионы, ускоряясь в сторону катода, к-рым служит исследуемое в-во, бомбардируют его пов-сть и распыляют образец. Распыленные частицы, проходя сквозь разряд, ионизируются. Для элементного и изотопного анализов находят применение ионные источники с ионизацией образца в индуктивно-связанной плазме Ar при атм. давлении. Поверхностная ионизация - осн. метод в изотопной масс-спектрометрии. В-во наносится на пов-сть ленты из Re, W или Та, к-рая нагревается до 2000-2500 К. Если потенциал ионизации в-ва меньше работы выхода электрона из металла ленты, то часть молекул или атомов покидает ее пов-сть в ионизир. состоянии. В нек-рых случаях молекула может захватывать электрон из металла и образовывать отрицательно заряженные ионы.
Масс-анализаторы - устройства для пространств. или временного разделения ионов с разл. значениями m/z в магн. или электрич. полях или их комбинациях. Различают статич. и динамич. анализаторы. В статических ионы разделяются в постоянных или практически неизменяющихся за время их движения через анализатор магн. полях. Ионы с разл. значениями m/z движутся в таком анализаторе по разным траекториям и фокусируются либо в разных местах фотопластинки, либо последовательно на щель детектора в результате плавного изменения напряженности электрич. и магн. полей анализатора. В динамич. анализаторах разделение ионов происходит под воздействием импульсных или радиочастотных электрич. полей с периодом изменения меньшим или равным времени пролета ионов через масс-анализатор. Ионы с разл. значениями m/z, как правило, разделяются по времени пролета определенного расстояния. Давление в анализаторах должно быть достаточно низким (~10-5 Па), чтобы избежать рассеяния ионов на молекулах остаточных газов. Осн. характеристика масс-анализатора - его разрешающая способность, или разрешающая сила R. Она характеризует способность анализатора разделять ионы с незначительно отличающимися друг от друга массами и определяется отношением значения массы иона М к ширине его пика DМ (выраженной в атомных единицах массы) на определенном уровне высоты пика (обычно 50 или 10%): R = М/DМ. Напр., R = 10000 означает, что масс-анализатор может разделять ионы с массами 100,00 и 100,01. Hаиб. часто применяют статистические масс-анализаторы с однородным магнитным полем (одинарная фокусировка) или комбинацией электрич. и магн. полей (двойная фокусировка). В масс-анализаторах с одинарной фокусировкой (рис. 4) ионный луч, сформированный в источнике ионов, выходит из щели шириной S1 в виде расходящегося ионного пучка и в магн. поле разделяется на пучки ионов с разл. значениями m/z.
Схема масс-анализатора с однородным магнитным полем
Рис. 4. Схема масс-анализатора с однородным магн. полем: S1 и S2 - щели источника и детектора ионов; ОAВ - область однородного магн. поля Н, перпендикулярного плоскости рисунка; тонкие сплошные линии - границы пучков ионов с разными т/z; r - радиус центр. траектории ионов.

Под действием поля, силовые линии к-рых направлены перпендикулярно направлению движения ионного пучка, ионы двигаются по круговой траектории с радиусом r = (2Vmn/zH2)1/2, где V - напряжение, ускоряющее ионы, mn - масса иона, z - заряд иона, H - напряженность магн. поля. Ионы с одинаковой кинетич.
энергией, но с разными массами или зарядами проходят через анализатор по разл. траекториям. Обычно развертка масс-спектра (регистрация ионов с определенными значениями m/z) осуществляется изменением Н при постоянном V. Разброс ионов, вылетающих из ионного источника, по кинетич. энергиям, а также несовершенство фокусировки по направлениям приводят к уширению ионного пучка, что сказывается на разрешающей способности. Для статич. масс-анализатора R = r/(S1 + S2+ d), где S1 и S2 - соотв. ширина входной и выходной щелей, d - уширение пучка в плоскости выходной щели. Уменьшение размера щелей для увеличения разрешающей способности прибора трудно осуществимо технически и, кроме того, приводит к очень малым ионным токам, поэтому обычно конструируют приборы с большим радиусом траектории ионов (r = 200 — 300 мм). Разрешающая способность м. б. повышена также при использовании масс-анализаторов с двойной фокусировкой. В таких приборах ионный пучок пропускают сначала через отклоняющее электрич. поле спец. формы, в к-ром осуществляется фокусирование пучка по энергиям, а затем через магн. поле, в к-ром ионы фокусируются по направлениям (рис. 5).
Схема масс-анализатора с двойной фокусировкой
Рис. 5. Схема масс-анализатора с двойной фокусировкой: S1 и S2 - щели источника и детектора ионов; 1 - конденсатор; 2 - магнит.

Существует более 10 типов динамич. масс-анализаторов: квадруполъный, время-пролетный, циклотронно-резонансный, магнитно-резонансный, радиочастотный, фарвитрон, омегатрон и др. Ниже рассмотрены наиб. широко применяемые масс-анализаторы. Квадрупольный масс-анализатор представляет собой квадруполъный конденсатор (рис. 6), к парам параллельных стержней к-рого приложены постоянное напряжение V и переменное высокочастотное V0cos wt (w - частота, t - время); их суммы для каждой пары равны по величине и противоположны по знаку.
Схема квадрупольного масс-анализатора
Рис. 6. Схема квадрупольного масс-анализатора: 1 - высокочастотный генератор; 2 - генератор постоянного напряжения; 3 - генератор развертки; 4 и 5 -источник и детектор ионов.

Ионы, вылетевшие из ионного источника, движутся в камере анализатора вдоль оси z, параллельной продольным осям стержней, по сложным объемным спиралевидным траекториям, совершая поперечные колебания вдоль осей x и у. При фиксированных значениях частоты и амплитуды переменного напряжения ионы с определенными значениями m/z проходят через квадруполъный конденсатор, у ионов с др. значениями m/z амплитуда поперечных колебаний достигает такой величины, что они ударяются о стержни и разряжаются на них. Развертка масс-спектра производится путем изменения постоянного и переменного напряжении или частоты. Для совр. квадрупольных масс-спектрометров R = 8000. Первый квадрупольный прибор построен В. Паули и X. Штайнведелем (ФРГ, 1953). Время-пролетный масс-анализатор представляет собой эквипотенциальное пространство, в котором дрейфуют ионы, разделяясь по скоростям движения (рис. 7). Ионы, образующиеся в ионном источнике, очень коротким электрич. импульсом "впрыскиваются" в виде "ионного пакета" через сетку в анализатор. В процессе движения исходный ионный пакет расслаивается на пакеты, состоящие из ионов с одинаковыми значениями m/z. Скорость дрейфа отслоившихся ионных пакетов и, следовательно, время их пролета через анализатор длиной L вычисляется по ф-ле: 641_667-43.jpg (V - напряжение). Совокупность таких пакетов, поступающих в детектор, образует масс-спектр. Для совр. приборов R = 5000 — 10000. Первый прибор создан А. Камероном и Д. Эгтерсом (США, 1948), а в СССР - Н. И. Ионовым (1956).
Схема время-пролетного масс-анализатора
Рис. 7. Схема время-пролетного масс-анализатора: 1 - сетка; 2 - детектор.

В 1973 Б. А. Мамыриным сконструирован прибор с электростатич. отражающим зеркалом, наз. масс-рефлектроном. Циклотронно-резонансный масс-анализатор -ячейка в виде прямоугольного параллелепипеда или куба, помещенная в однородное магн. поле. Ионы, попадая в ячейку, движутся в ней по спиральной траектории (циклотронное движение) с частотой wц = 1/2pz.H/m, где H - напряженность магн. поля, т. е. ионы с одинаковыми значениями m/z имеют определенную циклотронную частоту. Действие прибора основано на резонансном поглощении энергии ионами при совпадении частоты поля и циклотронной частоты ионов. На применении циклотронно-резонансного масс-анализатора основан метод ион-циклотронного резонанса, к-рый используют для определения массы ионов, в частности мол. ионов, образующихся при ионно-молекулярных р-циях в газовой фазе; анализа структуры высокомол. ионов; определения кислотно-основных св-в в-в. Для легких ионов R = 108. Первый масс-спектрометр ионциклотронного резонанса построен Г. Соммером, Г. Томасом и Дж. Хиплом (США, 1950).
Детекторы (приемники) ионов помещают на выходе прибора. Для детектирования используют электрометрич. усилители, позволяющие измерять ионные токи до 10-14 А, электронные умножители и сцинтилляц. детекторы с фотоумножителем, к-рые обеспечивают счет отдельных ионов (ток 10-19 А) и имеют малую постоянную времени, а также фотопластинки, преимущество к-рых в возможности регистрации всех ионов масс-спектра и накопление сигнала. Для введения в-ва в ионный источник существует спец. система, наз. системой напуска. Она обеспечивает ввод строго дозированных кол-в в-ва, его миним. термич. разложение, кратчайшую доставку к области ионизации и автоматич. смену образцов без нарушения вакуума. Система ввода газов и легколетучих в-в представляет собой холодные или обогреваемые стеклянные резервуары с вязкостными или мол. натекателями, через к-рое газообразное в-во поступает в область ионизации. При соединении хроматографа с масс-спектрометром между ионным источником и хроматографом помещается мол. сепаратор (струйный, пористый или мембранный), в к-ром удаляется газ-носитель и проба обогащается анализируемым в-вом. Система ввода труднолетучих в-в представляет собой чаще всего вакуумный шлюз, из к-рого ампула с в-вом вводится непосредственно в ионизац. камеру. Ампула укреплена на штоке, снабженном нагревателем, с помощью к-рого создается необходимая т-ра для испарения в-ва. В нек-рых случаях ампула нагревается за счет тепла ионизац. камеры. Для уменьшения разложения в-ва повышают скорость нагревания пробы, к-рая должна превышать скорость термич. разложения. Так действуют устройства, соединяющие жидкостной хроматограф с ионным источником. Наиб. распространено устройство, основанное на термораспылении р-ра исследуемого в-ва, при к-ром происходит его ионизация. Др. тип - ленточный транспортер, на ленте к-рого в-во доставляется в ионный источник через систему шлюзов. При движении ленты происходит удаление р-рителя, а в ионном источнике при быстром нагревании ленты в-во испаряется и ионизируется. В нек-рых случаях возможны испарение и ионизация в-ва в результате его бомбардировки ускоренными частицами на пов-сти ленты. Для труднолетучих неорг. соед. применяют спец. испаритель, наз. ячейкой Кнудсена. Это - высокотемпературная печь с тиглем, имеющим отверстие малого диаметра 0,1-0,3 мм, через к-рое испарение протекает в условиях близких к равновесным. Масс-спектрометр работает в условиях глубокого вакуума (10-5 — 10-6 Па и выше), к-рый позволяет свести к минимуму потерю разрешающей способности из-за столкновения ионного пучка с нейтральными молекулами. Ионный источник и масс-анализатор имеют разные системы откачки и соединяются между собой каналом такого размера, к-рый достаточен для прохождения ионного луча. Такая конструкция предохраняет падение вакуума в анализаторе при повышении давления в источнике ионов. В источнике ионов необходима также высокая скорость откачки для уменьшения эффекта памяти (удаление в-в, адсорбированных на внутр. пов-сти прибора). Обычно вакуум в приборах создают диффузионные насосы. Применяют также турбомолекулярные насосы, обеспечивающие получение сверхвысокого вакуума (10-7 — 10-8 Па) и откачку со скоростью неск. литров в секунду; эти насосы не требуют применения охлаждаемых ловушек. Сбор данных и управление масс-спектрометром требует автоматизации всех процессов с помощью ЭВМ, к-рая позволяет проводить разл. типы исследований по заранее заданной программе с оптимизацией условий анализа в процессе работы прибора.
Применение масс-спектрометрии. Масс-спектрометрию широко применяют в разл. областях науки и техники: в химии и нефтехимии, физике, геологии, биологии, медицине, в пром-сти полимеров, в лакокрасочной и хим. пром-сти, в произ-ве полупроводников и сверхчистых материалов, в ядерной технике, в с. х-ве и ветеринарии, в пищ. пром-сти, при анализе продуктов загрязнения окружающей среды и мн. др. Большие успехи достигнуты при анализе биологически важных в-в; показана возможность структурного анализа полисахаридов с мол. м. до 15000, белков с мол. м. до 45000 и т.д. Масс-спектрометрия нашла применение как экспрессный метод газового анализа в медицине; принципы масс-спектрометрии лежат в основе устройства наиб. чувствит. течеискателей. Отечеств. масс-спектрометры, выпускаемые для разл. целей, имеют индексы: для исследования изотопного состава - МИ, для исследования хим. состава - MX, для структурного анализа - МС. Macс-спектрометрия в органической химии позволяет измерить точную мол. массу и рассчитать элементный состав исследуемого в-ва, установить хим. и пространств. строение, определить изотопный состав, провести качеств. и количеств. анализ сложных смесей орг. соединений. Одна из важнейших задач - нахождение зависимости между характером масс-спектра и строением исследуемой орг. молекулы. При ионизации орг. молекулы образуется мол. ион, в к-ром далее происходят процессы гетеро- и гомолитич. разрыва связей или разрыва связей с перегруппировкой молекулы и образование осколочных ионов, к-рые в свою очередь могут подвергаться дальнейшему распаду. Последоват. распады ионов, устанавливаемые из масс-спектра, наз. направлениями или путями распада. Направления распада - важная характеристика каждого класса соединений. Совокупность всех направлений распада составляет характерную для каждого орг. соед. схему фрагментации. Если масс-спектр прост, схема фрагментации сводится к одному пути распада, напр. при распаде мол. иона СН3ОН+ последовательно образуются ионы СН2=ОН+ и Н—С=О+. В случае сложных масс-спектров схема фрагментации отвечает многим, часто перекрывающимся направлениям распада, напр. схема фрагментации полипептида:
Фрагментация полипептида
Мол. ион пептида распадается в результате разрыва связей СН—СО, СО—NH, NH—СН и СН—R с образованием осколочных ионов соотв. Аn и Хn, Вn и Yn, Сn и Zn, Sn и Rn (n - номер аминокислотного остатка в пептидной цепи), к-рые далее распадаются таким же образом. Общее кол-во пиков ионов в таком спектре может достигать неск. сотен. Кол-во фрагментов определяется строением исследуемой молекулы, запасом внутр. энергии мол. и осколочных ионов и промежутком времени между образованием иона и его детектированием. Поэтому при интерпретации масс-спектров необходимо учитывать как условия измерений (энергию ионизирующих электронов, ускоряющее напряжение, давление паров в ионном источнике, т-ру ионизац. камеры), так и конструктивные особенности прибора. При макс. стандартизации условий измерений удается получать достаточно воспроизводимые масс-спектры. Сравнение масс-спектра исследуемой системы со спектром, имеющимся в каталоге, -наиб. быстрый и простой способ структурного анализа, идентификации в-в при определении загрязнения окружающей среды, контроле продуктов питания человека и животных, изучении процессов метаболизма лек. препаратов, в криминалистике и т.д. Однако идентификация лишь на основании масс-спектра не может быть однозначной, напр. не все изомерные в-ва образуют различающиеся масс-спектры. В условиях масс-спектрометрии часть возбужденных ионов распадается после выхода из ионного источника. Такие ионы наз. метастабильными. В масс-спектрах они характеризуются уширенными пиками при нецелочисленных значениях т/z. Один из методов изучения таких ионов - спектроскопия масс и кинетич. энергий ионов. Изучение распада метастабильных ионов проводят на приборах, у к-рых магн. анализатор предшествует электрическому. Магн. анализатор настраивают таким образом, чтобы он пропустил метастабильный ион, к-рый при определенном напряжении на электрич. анализаторе проходит в детектор. Если такой ион распадается в пространстве между анализаторами, то образующиеся вторичные ионы не могут пройти через электрич. анализатор при установленном напряжении из-за недостатка энергии. Для попадания вторичных ионов в детектор изменяют напряжение электрич. анализатора. Это напряжение связано с массой вторичного иона соотношением m2 = Е2m*/Е0, где m* - метастабильный ион, m2 - вторичный ион, Е0 и Е2 - начальное и конечное напряжение электрич. анализатора. Таким образом определяются массы всех ионов, образующихся при распаде метастабильных ионов и устанавливаются тем самым схемы их фрагментации. Если в области между двумя анализаторами создать область повыш. давления (установить камеру столкновений, заполненную инертным газом), то в результате соударений ионов с молекулами газа их внутр. энергия будет увеличиваться и, следовательно, увеличится вероятность образования вторичных ионов. Такой метод, наз. тандемным, используют для структурного анализа индивидуальных компонентов сложных смесей без предварит. разделения. Наряду со структурными исследованиями масс-спектрометрию применяют для количеств. анализа орг. в-в. Количеств. анализ основан на определении интенсивностей пиков ионов с определенным значением т/z. Его проводят хромато-масс-спектрометрически (см. Хромато-масс-спектрометрия) или в системе прямого ввода. Для повышения точности определения применяют внутр. стандарты, в качестве к-рых используют меченые соед. или соед. близкие по строению к исследуемым, напр. гомологи. В последнем случае необходимо построение калибровочных кривых. Измерение содержания исследуемого в-ва проводят с учетом кол-ва добавляемого стандарта по отношению площадей пиков, соответствующих определяемому в-ву и внутр. стандарту. Погрешность метода b7%, предел определения 0,01 мкг/мл. Лучшие результаты дает применение меченых соед.; при этом отпадает необходимость в построении калибровочных кривых. Количеств. определение труднолетучих в-в проводят в системе прямого ввода, детектируя их по одному или неск. ионам, характерным для исследуемого соединения. По мере плавного повышения т-ры испарителя происходит испарение и частичное фракционирование исследуемых в-в. Т. обр., для каждого в-ва получают кривую испарения, площадь под к-рой прямо пропорциональна кол-ву соед., внесенного в масс-спектрометр. Абс. чувствительность метода, наз. методом интегрирования ионного тока, 10-7 г. Достоинство метода - отсутствие необходимости предварит. очистки исследуемых в-в. При исследовании соед. с электроф. группировками, изомерных орг. молекул, полимеров, азокрасителей, биологически активных в-в применяют масс-спектрометрию отрицательно заряженных ионов. Эти ионы обладают меньшим запасом внутр. энергии, чем положительно заряженные ионы, поэтому в масс-спектрах дают интенсивные пики мол. ионов и малое кол-во осколочных ионов.
Macc-спектрометрию в неорганической химии применяют при исследовании пов-сти неорг. материалов, для анализа микропримесей в кристаллах, металлах, сплавах, изоляторах и полупроводниках. Методом масс-спектрометрии определяют термодинамич. параметры, парциальные давления компонентов смесей со сложным составом пара, а также изучают металлич. кластеры - динамику их образования, хим. св-ва, фото-физ. особенности, строение и устойчивость, что помогает понять механизм проводимости металлов, крайне важный для микроэлектроники. Особое место занимает газовый анализ с применением масс-спектрометрии в разл. технол. процессах (металлургия, угольная пром-сть). Исследования проводят при т-рах от неск. сотен до 2000-3000 К. Изотопная масс-спектрометрия изучает прир. и техногенные вариации изотопного состава хим. элементов (вариации, вызванные ядерными или физ.-хим. процессами). Такие исследования необходимы для решения проблем космохимии и планетологии, изотопной геохронологии и геохимии, минералогии, гидрогеологии, геологии нефти и газа, биохимии, фармакологии, клинич. медицины, с. х-ва, ядерной физики и др. Вторая задача изотопной масс-спектрометрии - определение концентрации хим. элементов изотопного разбавления методом. Преимущество масс-спектрометрич. варианта этого метода -высокая чувствительность (до 10-12 г твердых в-в и до 10-16 г газов), низкая погрешность (b0,1-0,5%), допустимость нек-рых потерь части образца; недостаток - необходимость предварит. независимой ориентировочной оценки определяемой концентрации для дозирования оптим. кол-ва изотопного стандарта. Метод широко используют в изотопной геохронологии, иногда - в геохимии, ядерной физике, агрохимии, аналит. химии. Изотопная масс-спектрометрия со вторично-ионной эмиссией применяется также для локального анализа твердых тел. В этом случае для ионизации создают пучок первичных ионов (Ar+ , О2+, О-), к-рый направляют на выбранный участок исследуемой пов-сти диаметром 1-500 мкм. Производится изотопный анализ локальных участков, и устанавливается распределение заданного изотопа и соотв. элемента в структуре зерна минерала или в породе. Масс-спектрометрия позволяет определять все элементы периодич. системы с чувствительностью 10-12 г; при использовании лазерных источников ионизации м. б. достигнута чувствительность 10-19 г. При анализе твердых проб м.б. определены примеси, содержание к-рых в 1012 ниже содержания осн. элементов. Масс-спектрометрия широко применяется в анализе особо чистых металлов (Ga, Al, In, Fe, Сu и др.), полупроводниковых материалов (Si, GaAs, CdFe), сплавов на основе Fe, Ni и Zr при произ-ве тонких пленок и порошкообразных в-в, напр. оксидов U и редкоземельных элементов. Масс-спектрометрия позволяет определять содержание С, N, О, S, Р в сталях, анализировать керамику, стекла, разл. изоляц. материалы, проводить локальный и послойный анализ пробы (локальность по пов-сти до 1 мкм, по глубине до 1 мм), получать сведения о структуре и фазовом составе твердых тел. Для определения элементов используют масс-спектрометры с ионизацией образцов в электрич. дуге, искровом и тлеющем разряде или в индуктивно-связанной аргонной плазме при атм. давлении.

Литература
Барнард Дж., Современная масс-спектрометрия, пер. с англ., М., 1957; Бейнон Дж., Масс-спектрометрия и ее применение в органической химии, пер. с англ., М., 1964; Полякова А. А., Хмельницкий Р. А., Масс-спектрометрия в органической химии, Л., 1972; Джонстон Р., Руководство по масс-спектрометрии для химиков-органиков, пер. с англ., М., 1975; Семенов Г. А., Николаев Е. Н., Францева К. Е., Применение масс-спектрометрии в неорганической химии, Л., 1976; Розынов Б. В., Масс-спектрометрия в биоорганической химии (применение в анализе аминокислот, пептидов и белков), М., 1978, (Итоги науки и техники, сер. Органическая химия, т. 2); Хвостенко В. И., Масс-спектрометрия отрицательных ионов в органической химии, М., 1981; Быковский Ю. А., Неволин В. Н., Лазерная масс-спектрометрия, М., 1985; Вульфсон Н. С., Заикин В. Г., Микая А. И., Масс-спектрометрия органических соединений, М., 1986; Зенкевич И. Г., Иоффе Б. В., Интерпретация масс-спектров органических соединений, Л., 1986; Чепмен Д., Практическая органическая масс-спектрометрия, пер. с англ., М., 1988; Tandem mass spectrometry, ed. by F. W. Mclaflerty, N. Y., 1983; Harrison A. G., Chemical ionisation mass spectrometry, Boca Raton (Fla), 1983,
Б. В. Розынов, Ю. А. Шуколюков.