Соляная кислота
СОЛЯНАЯ КИСЛОТА (хлористоводородная к-та, хлороводородная к-та), р-р HCl в воде-бесцв. жидкость с резким запахом; сильная одноосновная кислота. Хлористый водород НС1 (мол. м. 36,461 )-бесцв. газ с резким запахом, во влажном воздухе сильно дымит; длина связи H—С1 0,1274 нм, m 3,716·10-30 Кл·м, энергия диссоциации 427,77 кДж/моль; т. кип. —85,1 °С (бесцв. легко подвижная жидкость), т. пл. —114,22 °С; кристаллизуется в кубич. решетке, ниже —174,15 °С существует ромбич. модификация; тройная точка —114,22 °С; плотн. по воздуху 1,2679; Гкрнт 51,4°С, pкрит 8,258 МПа, dкрит 0,42 г/см3;
-92,31 кДж/моль, DHпл 1,9924 кДж/моль (-114,22°С), DHисп 16,1421 кДж/моль (-8,05°С);
186,79 Дж/(моль·К); давление пара (Па): 133,32·10-6 (-200,7°С), 2,775·103 (-130,15°С), 10,0·104 (-85,1 °С), 74,0·104 (-40°С), 24,95 · 105 (О °С), 76,9 · 105 (50 °С); ур-ние температурной зависимости давления пара lgp(кПа) = -905,53/Т+ 1,75lgT— -500,77·10-5T+3,78229 (160-260 К); коэф. сжимаемости 0,00787; g 23 мН/см (-155°С); r 0,29·107 Ом·м (-85°С), 0,59·107 (-114,22°С). См. также табл. 1.
Растворимость НСl в углеводородах при 25 °С и 0,1 МПа (мол. %): в пентане-0,47, гексане-1,12, гептане-1,47, октане-1,63. Р-римость НС1 в алкил- и арилгалогенидах невелика, напр. 0,07 моль/моль для С4Н9С1. Р-римость в интервале от —20 до 60° С уменьшается в ряду дихлорэтан-три-хлорэтан-тетрахлорэтан-трихлорэтилен. Р-римость при 10°С в ряде спиртов составляет примерно 1 моль/моль спирта, в эфирах карбоновых к-т 0,6 моль/моль, в карбо-новых к-тах 0,2 моль/моль. В простых эфирах образуются устойчивые аддукты R2O · НСl. Р-римость НС1 в расплавах хлоридов подчиняется закону Генри и составляет для КСl 2,51·10-4 (800°С), 1,75·10-4 моль/моль (900°С), для NaCl 1,90·10-4 моль/моль (900 °С).
Соляная к-та. Растворение НСl в воде-сильно экзо-термич. процесс, для бесконечно разб. водного р-ра DH0 растворения НСl —69,9 кДж/моль,
иона Сl-— 167,080 кДж/моль; НС1 в воде полностью ионизирован. Р-римость НС1 в воде зависит от т-ры (табл. 2) и парциального давления НС1 в газовой смеси. Плотность соляной кислоты разл. концентрации и h при 20 °С представлены в табл. 3 и 4. С повышением т-ры h соляной кислоты понижается, напр.: для 23,05%-ной соляной кислоты при 25 °С h 1364мПа·с, при 35 °С 1,170 мПа·с.
соляной кислоты, содержащей h молей воды на 1 моль НС1, составляет [кДж/(кг·К)]: 3,136 (п = 10), 3,580 (п = 20), 3,902 (п =50), 4,036 (n = 100), 4,061 (п = 200).


НСl образует с водой азеотропную смесь (табл. 5). В системе HCl-вода существует три эвтектич. точки: — 74,7 °С (23,0% по массе НСl); -73,0°С (26,5% НСl); -87,5°С (24,8% НС1, метастабильная фаза). Известны кристаллогидраты НСl·nН2О, где n = 8, 6 (т. пл. -40 °С), 4, 3 (т. пл. -24,4°С), 2 (т. пл. -17,7°С) и 1 (т. пл. -15,35°С). Лед кристаллизуется из 10%-ной соляной кислоты при —20, из 15%-ной-при -30, из 20%-ной-при -60 и из 24%-ной-при -80°С. Р-римость галогенидов металлов с увеличением концентрации НСl в соляной кислоте падает, что используют для их высаливания.
Химические свойства. Чистый сухой НСl начинает диссоциировать выше 1500°С, химически пассивен. Мн. металлы, С, S, P не взаимод. даже с жидким НСl. С нитридами, карбидами, боридами, сульфидами реагирует выше 650 °С, с гидридами Si, Ge и В-в присут. АlСl3, с оксидами переходных металлов-при 300 °С и выше. Окисляется О2 и HNO3 до Сl2, с SO3 дает C1SO3H. О р-циях с орг. соединениями см. Гидрогалогенирование.
Соляная кислота химически весьма активна. Растворяет с выделением Н2 все металлы, имеющие отрицат. нормальный потенциал, со мн. оксидами и гидроксидами металлов образует хлориды, выделяет своб. к-ты из таких солей, как фосфаты, силикаты, бораты и др.
Получение. В пром-сти НСl получают след. способами-сульфатным, синтетич. и из абгазов (побочных газов) ряда процессов. Первые два метода теряют свое значение. Так, в США в 1965 доля абгазной соляной кислоты составляла 77,6% в общем объеме произ-ва, а в 1982-94%.
Произ-во соляной кислоты (реактивной, полученной сульфатным способом, синтетич., абгазной) заключается в получении НСl с послед. его абсорбцией водой. В зависимости от способа отвода теплоты абсорбции (достигает 72,8 кДж/моль) процессы разделяются на изотермич., адиабатич. и комбинированные.
Сульфатный метод основан на взаимод. NaCl с конц. H2SO4 при 500-550 °С. Реакц. газы содержат от 50-65% НСl (муфельные печи) до 5% НСl (реактор с кипящим слоем). Предложено заменить H2SO4 смесью SO2 и О2 (т-ра процесса ок. 540 °С, кат.-Fе2О3).
В основе прямого синтеза НСl лежит цепная р-ция горения: Н2 + Сl2
2НСl+184,7кДж Константа равновесия Кр рассчитывается по ур-нию: lgKp = 9554/T- 0,5331g T+ 2,42.
Р-ция инициируется светом, влагой, твердыми пористыми (древесный уголь, пористая Pt) и нек-рыми минер. в-вами (кварц, глина). Синтез, ведут с избытком Н2 (5-10%) в камерах сжигания, выполненных из стали, графита, кварца, огнеупорного кирпича. Наиб. совр. материал, предотвращающий загрязнение НСl,-графит, импрегнированный фе-ноло-формальд. смолами. Для предотвращения взрывного характера горения реагенты смешивают непосредственно в факеле пламени горелки. В верх. зоне камер сжигания устанавливают теплообменники для охлаждения реакц. газов до 150-160°С. Мощность совр. графитовых печей достигает 65 т/сут (в пересчете на 35%-ную соляную кислоту). В случае дефицита Н2 применяют разл. модификации процесса; напр., пропускают смесь Сl2 с водяным паром через слой пористого раскаленного угля:
2Сl2 + 2Н2О + С : 4НСl + СО2 + 288,9 кДж
Т-ра процесса (1000-1600 °С) зависит от типа угля и наличия в нем примесей, являющихся катализаторами (напр., Fe2O3). Перспективно использование смеси СО с парами воды:
СО + Н2О + Сl2 : 2НСl + СО2
Более 90% соляной кислоты в развитых странах получают из абгаз-ного НСl, образующегося при хлорировании и дегидрохло-рировании орг. соединений, пиролизе хлорорг. отходов, хлоридов металлов, получении калийных нехлорир. удобрений и др. Абгазы содержат разл. кол-ва НС1, инертные примеси (N2, H2, СН4), малорастворимые в воде орг. в-ва (хлорбензол, хлорметаны), водорастворимые в-ва (уксусная к-та, хлораль), кислые примеси (Сl2, HF, О2) и воду. Применение изотермич. абсорбции целесообразно при низком содержании НС1 в абгазах (но при содержании инертных примесей менее 40%). Наиб. перспективны пленочные абсорберы, позволяющие извлекать из исходного абгаза от 65 до 85% НСl.
Наиб. широко применяют схемы адиабатич. абсорбции. Абгазы вводят в ниж. часть абсорбера, а воду (или разбавленную соляную кислоту)-противотоком в верхнюю. Соляная кислота нагревается до т-ры кипения благодаря теплоте растворения НСl. Изменение т-ры абсорбции и концентрации НСl дано на рис. 1. Т-ра абсорбции определяется т-рой кипения к-ты соответствующей концентрации (макс. т-ра-т. кип. азеотропной смеси-ок. 110°С).
На рис. 2 дана типовая схема адиабатич. абсорбции НСl из абгазов, образующихся при хлорировании (напр., получение хлорбензола). НСl поглощается в абсорбере 1, а остатки малорастворимых в воде орг. в-в отделяют от воды после конденсации в аппарате 2, доочищают в хвостовой колонне 4 и сепараторах 3, 5 и получают товарную соляную кислоту.

Рис. 1. Схема распределения т-р (кривая 1) и концентрации (кривая 2) НСl по высоте адиабатич. абсорбера.

Рис.2. Схема типовой адиабатич. абсорбции НСl из абгазов: 1-адиабатич. абсорбер; 2 - конденсатор; 3, 5-сепараторы; 4-хвостовая колонна; 6-сборник орг. фазы; 7-сборник водной фазы; 8, 12-насосы; 9-отдувочная колонна; 10-теплообменник; 11-сборник товарной к-ты.
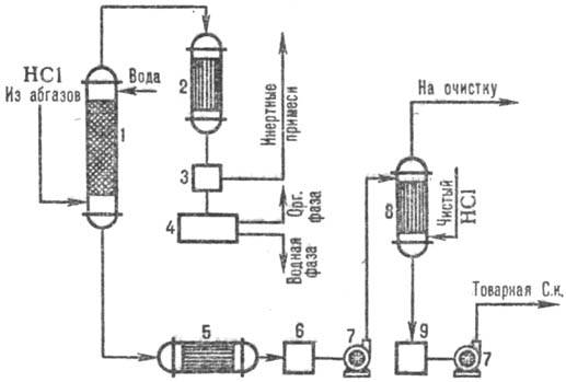
На рис. 3 дана типовая схема получения соляной кислоты из абгазов с использованием комбинир. схемы абсорбции. В колонне адиабатич. абсорбции получают соляную кислоту пониж. концентрации, но свободную от орг. примесей соляную кислоту с повыш. концентрацией НСl производят в колонне изотермич. абсорбции при пониж. т-рах. Степень извлечения НС1 из абгазов95-99% (при использовании в качестве абсорбента разб. к-т) и практически полная-при использовании чистой воды.

Рис. 3. Схема типовой комбинир. абсорбции НСl из абгазов: 1 - колонна адиабатич. абсорбции; 2 - конденсатор; 3-отделитель газов; 4-сепаратор; 5-холодильник; 6, 9-сборники к-ты; 7-насосы; 8-изотермич. абсорбер.
Определяют НСl в воздухе нефелометрически с образованием AgCl.
Соляную кислоту применяют для получения хлоридов Mn, Fe, Zn и др., для травления металлов, очистки пов-стей сосудов, скважин от карбонатов, обработки руд, при произ-ве каучуков, глу-тамината Na, соды, Сl2 и т. д. Потребление соляной кислоты в Японии (тыс. т); хим. пром-сть 320,7, произ-во глутамината Na 99,8, произ-во соды 54,8, черная металлургия 50,0, целлюлозно-бумажная пром-сть 22,2, прочие 80. НС1 используют для регенерации Сl2, в орг. синтезе (получение винилхлорида, алкилхлоридов и т.д.), как катализатор (напр., при получении дифенилолпропана, алкилирование бензола).
Произ-во 31%-ной соляной кислоты в СССР 1,52 млн. т (1986). НСl и соляная кислота токсичны, вызывают сильные ожоги слизистых оболочек, удушье, разрушают зубы и т.д. ПДК НСl в воздухе рабочей зоны 5,0 мг/м3.
Лит.: Якименко Л. М., Пасманик М. И., Справочник по производству хлора, каустической соды и основных хлорпродуктов, 2 изд., М., 1976; Левинский М. И., Мазанко А. Ф., Новиков И. Н., Хлористый водород и соляная кислота, М., 1985. А. И. Торубаров.